misha@motor-reduktor.com.ua
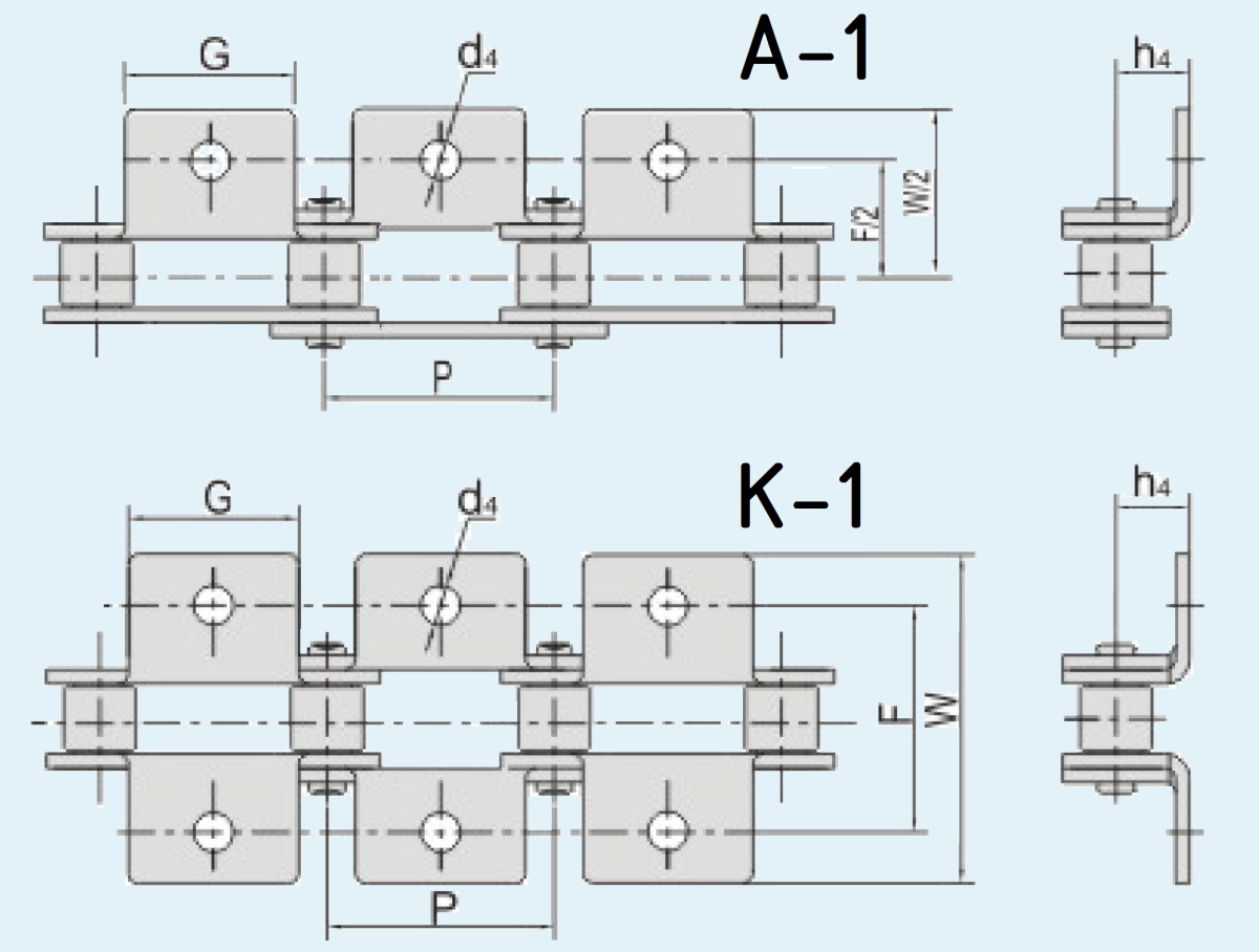
Привідні роликові ланцюги з додатковим кріпленням А-1 аба К-1 - це ланцюг який має додаткові функції. До аттачмента можуть бути пракріплені різноманівні виконавчі органи - штовхачі, захвати, скрібки. Варто зауважити, що в якосты основи еонструкції використовується стандартний привідний ланцюг. Аттачмент A-1 і K-1 має конструкцію схожу на аттачмент WA-1 / WK-1, але має вужчу опорну пластину, тому конструкція дозмоляє розташовувати аттачмент як на завнішній пластині, так і на внутрішній.
При проектуванні нового привода чи при підборі заміни ланцюга необхідно встановити наступні параметри:
- базовий ланцюг. Звичайний роликовий ланцюг британського або американського стандарту, чи ланцюг з подвійним кроком.
- тип аттачмента. Аттачмент А-1 - односторонній, аттачмент К-1 - двохсторонній.
- розташування аттачмента. Можливе розташування кріплення на зовнішній ланці. на внутрішній ланці чи комбіноване розташування.
- малюнок ланцюга. Аттачмент може розташовуватись із певним кроком або із певною комбінацією звичайних та комбінованих пластин.
- матеріал ланцюга. Можливе виготовлення ланцюга з аттачментом з вуглецевої сталі, з нержавіючої сталі або із корозійно-захистним покриттям - оцинкований, нікельований, хромований.

Розміри та маркування аттачментів А-1 та К-1 на довголанкових ланцюгах
| базовий ланцюг | P | G | F | W |
| Британський стандарт | ||||
| 208 B | 25,4 | 19.0 | 28.1 | 37.2 |
| 210 B | 31,75 | 18.0 | 58.0 | 76.0 |
| американський стандарт | ||||
| C208AS / C2040 | 25,4 | 19.0 | 25.4 | 38.2 |
| C210AS / C2050 | 31.75 | 25.4 | 31.8 | 48.4 |
| C210A-H / C2050H | 31.75 | 25.4 | 31.8 | 48.4 |
| C212A-H / C2060H | 38.1 | 28.0 | 42.8 | 60.4 |
| C216A-H / C2080H | 50.8 | 38.0 | 55.4 | 78.6 |
| C220A-H / C2100H | 63.5 | 47.5 | 66.6 | 98.4 |
| C224A-H / C2120H | 76.2 | 57.0 | 79.4 | 118.4 |
На сторінках нашого сайта ви можете завантадити PDF-каталоги ланцюгів, зірочок та направляючих. При необхідності провести розрахунок ланцюгових передач та пасових передач і підборі шківів, карданних валів, турбомуфт, електродвигунів, редукторів, пружних муфт, зубчастих рейок, конічних зубчастих пар, гвинтових пар - звертайтесь з технічним завданням до наших інженерів.
Михайло Павінов
інженер
(098) 083-58-09
misha@motor-reduktor.com.ua
Каталог цепей Regina![]() | Каталог - приводные цепи KettenWulf ![]() | Цепи для транспортёров дерева FB kedjor AB ![]() |
Новий каталог ланцюгів KettenWulf![]() |