Черв’ячний редуктор Radicon A Heavy

червячный редуктор

Черв'ячний редуктор David Brown Heavy / Benzlers Radicon ER

Компанія David Brown, Англія, має півтора сторіччя досвіду виробництва редукторів та мотор-редукторів з великим крутним моментом. Саме засновник компанії, Девід Браун винайшов черв'ячну передачу у тому вигляді, у якому ми її знаємо зараз. За багато років компанія David Brown та її партнерські підрозділи Benzlers вдосконалала процес виробництва зубчастих передач та мотор-редукторів та навчились виготовляти надійні та кращі в світі мотор-редуктори, редуктори, мультиплікатори для генераторів, зубчасті вінці для тунельних млинів та трансмісії для підводних човнів та танків.

Flender Cavex

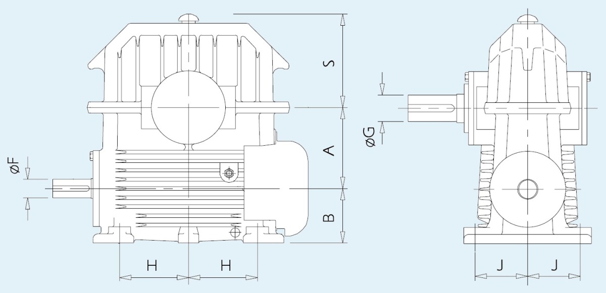
Головне та найпоширене виконання - це черв'ячні редуктори з нижнім розташуванням черв'ячного вала. Це дозволяє створити найкращі умови для змащення черв'ячної передачі та найкращого відведення тепла. Основні розміри та маркування наведемо в таблиці:

 типорозмір редуктора A, mm B, mm F, mm G. mm Допоміжне позначення
 Radicon CNU 10 254.0 171 55 85 10 ER-U
 Radicon CNU 12 304.8 190 60 95 12 ER-U
 Radicon CNU 14 355.6 216 75 120 14 ER-U
 Radicon CNU 17 431.8 254 80 140 17 ER-U
 Radicon CNU 20 508.0 292 100 170
 Radicon CNU 24 609.6 330 110 190

На сторінках нашого сайта ви можете завантажити PDF-каталоги редукторів, електродвигунів та гідромуфт. За допомогою в підборі мотор-редукторів, а також пружних муфт з великим крутним иоментом, пасових передач та ланцюгових передач - будь ласка, звертайтесь до наших інженерів з технічним завданням.

 

Михайло Павінов
інженер
(098) 083-58-09
misha@motor-reduktor.com.ua

 

pdf каталог редукторов

 

Каталог червячных редукторов
David Brown Radicon

червячный редуктор Radicon