misha@motor-reduktor.com.ua

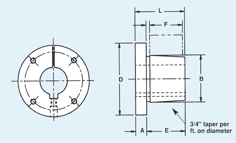
Конічні монтажні втулки Sure-Grip виробництва TB Wood's серія Quick detachable bushing. Призначена для швидкого встановлення та демонтада на вал шківів, муфт, зірочок, ступиць. Завдяки конструкції з буртом кріпильні болти можуть вставлятися з обох сторін.

Основні розміри та маркування конічних монтажних втулок QD
| тип втулки | A, мм | B, мм | D, мм | E, мм | L, мм |
| QD bush QT | 6.35 | 41.28 | 63.5 | 25.4 | 31,75 |
| QD bush JA | 7.94 | 34.93 | 50.8 | 17.46 | 25,4 |
| QD bush SH | 9.525 | 47.52 | 68.26 | 22.22 | 31,75 |
| QD bush SDS | 11.11 | 55.56 | 80.96 | 22.22 | 33,34 |
| QD bush SD | 11.11 | 55.56 | 80.95 | 34.93 | 46,04 |
| QD bush SK | 12.7 | 55.56 | 98.43 | 34.93 | 47,63 |
| QD bush SF | 12.7 | 79.38 | 117.48 | 38.1 | 50,8 |
| QD bush E | 19.05 | 97.38 | 152.4 | 47.63 | 66,68 |
| QD bush F | 20.88 | 112.71 | 168.28 | 71.44 | 92,08 |
| QD bush J | 25.4 | 130.77 | 184.15 | 88.9 | 114,3 |
| QD bush M | 31.75 | 165.1 | 231.78 | 139.7 | 171,45 |
| QD bush N | 38.1 | 177.8 | 254 | 168.28 | 406,4 |
| QD bush P | 44.45 | 209.55 | 298.45 | 193.68 | 254 |
| QD bush W | 50.8 | 265.10 | 381 | 238.13 | 323,85 |
| QD bush S | 52.55 | 307.98 | 450.85 | 317.5 | 381 |
Втулки типу QD зустрічаються виключно в північноамериканському обладнанні і в Україні використовуються виключно в ремонтних цілях. Для виробництва нового обладнання краще скористатись втулками типу Taper bush.
Михайло Павінов
інженер
(098) 083-58-09
misha@motor-reduktor.com.ua