misha@motor-reduktor.com.ua

Мотор-редуктори Benzlers BS - це черв'ячні одноступінчасті та двохступінчасті редуктори з гладким корпусом. Широке використання редуктори Benzlers BS знайшли в харчовій та фармацевтичній галузях. Корпус редуктора не збирає бруд, легко піддається очищенню, опціонально корпус редуктора може мати додаткове покриття та вали з нержавіючої сталі. В комплекті з редуктором можна замовити електродвигун, або електродвигун з гальмом.
| Типорозмір (міжцентрова відстань) | Передаточне відношення | |||||||||||||
| A | B | C | D | E | F | Fx | G | H | I | J | K | L | M | |
| Benzlers BS 40 | 6,67 | 10 | 15 | 20 | 24 | 30 | 40 | 48 | 60 | 70 | 84 | |||
| Benzlers BS 50 | 8 | 10,5 | 14 | 21 | 24 | 32 | 37 | 42 | 54 | 64 | 80 | |||
| Benzlers BS 63 | 7,75 | 11 | 14 | 18 | 24,5 | 29 | 37 | 43 | 51 | 57 | 73 | 104 | ||
| Benzlers BS 71 | 7,5 | 9,33 | 12 | 16 | 21 | 28 | 37 | 48 | 63 | 82 | 100 | |||
| Benzlers BS 88 | 7,25 | 11,75 | 15,67 | 19,50 | 23,50 | 29 | 39 | 47 | 58 | 71 | 82 | 106 | ||
| Benzlers BS 112 | 7 | 11,5 | 15,3 | 19,5 | 23 | 28 | 39 | 46 | 63 | 76 | 95 | 106 | ||

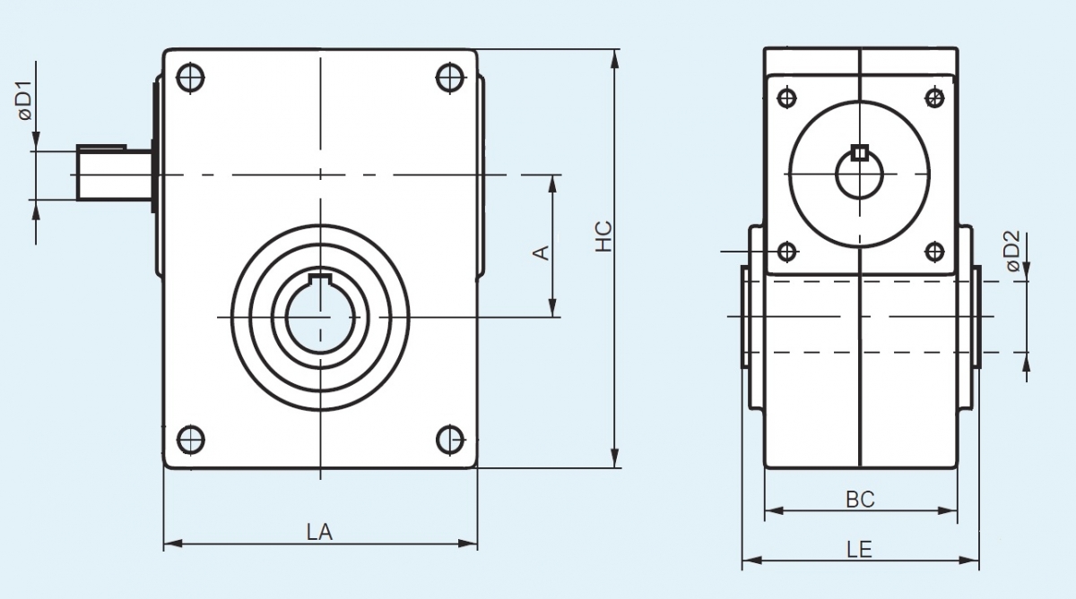
Габаритні розміри та маркуання редукторів Benzlers BS
| тип редуктора | A | D1 | D2 | LA | HC | BC | LE | i | артикул |
| mm | mm | mm | mm | mm | mm | mm | |||
| BS40 | 40 | 14 | 20 | 100 | 140 | 73 | 92 | 6,67 | BS40/A/0O/P/2/-/-/-/- |
| 10 | BS40/B/0O/P/2/-/-/-/- | ||||||||
| 15 | BS40/C/0O/P/2/-/-/-/- | ||||||||
| 20 | BS40/D/0O/P/2/-/-/-/- | ||||||||
| 24 | BS40/E/0O/P/2/-/-/-/- | ||||||||
| 30 | BS40/F/0O/P/2/-/-/-/- | ||||||||
| 40 | BS40/G/0O/P/2/-/-/-/- | ||||||||
| 48 | BS40/H/0O/P/2/-/-/-/- | ||||||||
| 60 | BS40/I/0O/P/2/-/-/-/- | ||||||||
| 70 | BS40/J/0O/P/2/-/-/-/- | ||||||||
| 84 | BS40/K/0O/P/2/-/-/-/- | ||||||||
| BS50 | 50 | 19 | 25 | 124 | 155 | 78 | 98 | 8 | BS50/A/0O/P/2/-/-/-/- |
| 10.5 | BS50/B/0O/P/2/-/-/-/- | ||||||||
| 14 | BS50/C/0O/P/2/-/-/-/- | ||||||||
| 21 | BS50/D/0O/P/2/-/-/-/- | ||||||||
| 24 | BS50/E/0O/P/2/-/-/-/- | ||||||||
| 32 | BS50/F/0O/P/2/-/-/-/- | ||||||||
| 37 | BS50/Fx/0O/P/2/-/-/-/- | ||||||||
| 42 | BS50/G/0O/P/2/-/-/-/- | ||||||||
| 54 | BS50/H/0O/P/2/-/-/-/- | ||||||||
| 64 | BS50/I/0O/P/2/-/-/-/- | ||||||||
| 80 | BS50/J/0O/P/2/-/-/-/- | ||||||||
| BS63 | 63 | 19 | 30 | 146 | 183 | 82 | 101 | 7.75 | BS63/A/0O/P/2/-/-/-/- |
| 11 | BS63/B/0O/P/2/-/-/-/- | ||||||||
| 14 | BS63/C/0O/P/2/-/-/-/- | ||||||||
| 18 | BS63/D/0O/P/2/-/-/-/- | ||||||||
| 24.5 | BS63/E/0O/P/2/-/-/-/- | ||||||||
| 29 | BS63/F/0O/P/2/-/-/-/- | ||||||||
| 37 | BS63/Fx/0O/P/2/-/-/-/- | ||||||||
| 43 | BS63/G/0O/P/2/-/-/-/- | ||||||||
| 51 | BS63/H/0O/P/2/-/-/-/- | ||||||||
| 57 | BS63/I/0O/P/2/-/-/-/- | ||||||||
| 73 | BS63/J/0O/P/2/-/-/-/- | ||||||||
| 104 | BS63/K/0O/P/2/-/-/-/- | ||||||||
| BS71 | 71 | 24 | 35 | 165 | 209 | 101.4 | 122 | 7.5 | BS71/A/0O/P/2/-/-/-/- |
| 9.33 | BS71/B/0O/P/2/-/-/-/- | ||||||||
| 12 | BS71/C/0O/P/2/-/-/-/- | ||||||||
| 16 | BS71/D/0O/P/2/-/-/-/- | ||||||||
| 21 | BS71/E/0O/P/2/-/-/-/- | ||||||||
| 28 | BS71/F/0O/P/2/-/-/-/- | ||||||||
| 37 | BS71/G/0O/P/2/-/-/-/- | ||||||||
| 48 | BS71/H/0O/P/2/-/-/-/- | ||||||||
| 63 | BS71/I/0O/P/2/-/-/-/- | ||||||||
| 82 | BS71/J/0O/P/2/-/-/-/- | ||||||||
| 100 | BS71/K/0O/P/2/-/-/-/- |
При використанні редуктора в харчовій промисловості варто замовити заправку мастилом, що має харчовий допуск.

Мотор-редуктори Benzlers BS при вірному підході при розрахунку навантажень та підборі надійні та довговічні і можуть замінити редуктори Bauer BS, Bonfiglioli, Motovario nmrv, Sumitomo, Flehder, Siti, Stm, Renild, Vortex, Flender Cavex, Stober Antriebstechnik, Nord, Falk, Boston Gear, Rexnord, Fenner.
Для комплектации приводів та побудування редукторних механізмів ви можете придбати муфти, электродвигуни, приводні зубчасті паси і шківи, роликові ланцюги і зірочки, монтажні втулки, адаптори монтажних втулок, зубчасті рейки, конічні та циліндричні зубчасті колеса.

На сторінках нашого сайта ви знайдете PDF-каталоги та додаткову технічну інформацію. Звернувшись до наших інженерів ви зможете замовити розрахунок пасових передач та розрахунок ланцюгових передач.
Михайло Павінов
інженер
(098) 083-58-09
misha@motor-reduktor.com.ua