misha@motor-reduktor.com.ua
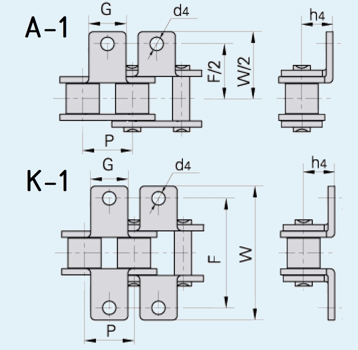
Приводные роликовые цепи Regina отогнутыми пластинами с одним отверстием - аттачмент А1 и К1 - это один из простейших и самых распространённых типов дополнительных креплении на цепи. Аттачменты на цепи используются для монтажа различных исполнительных органов к цепи. Возможны следующии модификации цепи:
- Аттачмент цепи на одну сторону (аттачмент А1) / аттачмент цепи на две стороны (аттачмент К1)
- Отогнутая пластина на внешнем звене / Отогнутая пластина на внутреннем звене
- материал цепи углеродистая сталь / нержавеющая сталь / сталь с дополнительным покрытием
При заказе цепи не забывайте указывать расположение аттачментов и их шаг.
Наиболее часто такая модификация используется для однорядных роликовых цепей британского стандарта, реже можно встретить цепи американского стандарта с аттачментом.

Размеры аттачментов А-1 и К-1 для роликовых цепей
| базовая цепь | P, mm | d4, mm | F, mm | W, mm | G, mm | h4, mm |
| британский стандарт | ||||||
| 06B | 9.525 | 3.5 | 19.0 | 27 | 8.0 | 6.5 |
| 08B | 12.7 | 4.5 | 25.4 | 36.4 | 9.5 | 8.9 |
| 10B | 15.875 | 5.3 | 31.75 | 44.6 | 14.3 | 10.31 |
| 12B | 19.05 | 6.4 | 38.1 | 52.4 | 16.0 | 13.46 |
| 16B | 25.4 | 6.4 | 50.8 | 72.6 | 19.1 | 15.88 |
| 20B | 31.75 | 8.5 | 64.3 | 85.5 | 25 | 19.8 |
| 24B | 38.1 | 10.5 | 76.2 | 108.4 | 30 | 26.7 |
| американский стандарт | ||||||
| 08A / ASA40 | 12.7 | 3.4 | 25.4 | 35.2 | 9.5 | 7.9 |
| 10A / ASA50 | 15.875 | 5.5 | 31.75 | 46.2 | 12.7 | 10.3 |
| 12A / ASA60 | 19.05 | 5.5 | 38.1 | 55.6 | 15.9 | 11.9 |
| 16A / ASA80 | 25.4 | 6.8 | 50.8 | 64.8 | 19.1 | 15.9 |
| 20A / ASA100 | 31.75 | 9.2 | 63.5 | 87.3 | 25.4 | 19.8 |
| 24A / ASA120 | 38.1 | 9.8 | 76.2 | 108.5 | 28.6 | 23.0 |
| 28A / ASA140 | 44.45 | 11.4 | 88.9 | 123 | 34.9 | 28.6 |
| 32A / ASA160 | 50.8 | 13.1 / 14.3 | 101.6 | 145.8 | 38.1 | 31.8 |
Также, аттачменты A1 и K1 широко распространены на длиннозвенных цепях.
В ассортименте компании Regina вы сможете найти достаточно большое количество приводных цепей с аттачментами. Также в комплекте вы сможете приобрести звёздочки (в том числе и звёздочки из нержавеющих сталей). Инженеры нашей компании помогут вам разобраться во всём разнообразии цепей и предложат оптимальные конструкции чтобы сделать ваше производство производительным и экономным.
На страницах нашего сайта вы можете скачать PDF-каталоги цепей, звёздочек, направляющих и натяжителей. Обращайтесь к нашим и нженерам и вы сможете заказать расчёт ременных передач, подбор шкивов, кулачковых муфт, редукторов, гибромуфт, электродвигателей.
Павинов Михаил
инженер
(098) 083-58-09
misha@motor-reduktor.com.ua
| Каталог приводных и конвейерных цепей Regina ![]() | Новый каталог цепей KettenWulf ![]() | |