misha@motor-reduktor.com.ua
Постачаємо еластичні муфт и Centaflex та еластичні елементи муфт.

Кулачкова еластична муфта Centaflex-B. Компакта і потужна муфта з еластичним елементом (зірочкою) з поліуретану (зелений) або поліестеру (жовтий). Конструкція муфти дозволяє проводити обслуговування (заміну еластичного елемента) без демонтажу вузлів обладнання.

| типорозмір муфти | маркуванная еластичного елементу | D, мм | |
| поліуретан | поліестер | ||
| Centaflex CF-B-070 | CF-B-72-70 | CF-B-H-72-70 | 72 |
| Centaflex CF-B-080 | CF-B-76-80 | CF-B-H-76-80 | 76 |
| Centaflex CF-B-100 | CF-B-98-100 | CF-B-H-98-100 | 98 |
| Centaflex CF-B-120 | CF-B-120 | CF-B-H-120 | 120 |
| Centaflex CF-B-140 | CF-B-138-140 | CF-B-H-138-140 | 138 |
| Centaflex CF-B-165 | CF-B-165 | CF-B-H-165 | 165 |
| Centaflex CF-B-185 | CF-B-185 | CF-B-H-185 | 187 |

Еластична муфта Centaflex-K, має еластичний елемент з термопластичного пластику. В разі заклинювання механізму еластичний елемент муфти руйнується, запобігаючи більш суттєвим ушкодженням приводу.

| маркировка | артикул | C, мм | D, мм | Tk, мм | E, мм | G, мм |
| CF-K-100-165 | 470800 Centaflex-K-100-165 | 174 | 125 | 142 | 34 | 10 |
| CF-K-100 SAE 6-1/2 | 470796 Centaflex-K-100-SAE6,5 | 215.9 | 125 | 200 | 34 | 14 |
| CF-K-100 SAE 7-1/2 | Centaflex-K-100-SAE7,5 | 241.3 | 125 | 222.3 | 34 | 14 |
| CF-K-100 SAE 8 | 470795 Centaflex-K-100-SAE8 | 263,5 | 125 | 244,5 | 34 | 14 |
| CF-K-100 SAE 10 | 470799 Centaflex-K-100-SAE10 | 314,3 | 125 | 295,3 | 34 | 14 |
| CF-K-100-100 | Centaflex-K-100-100 | 125 | 125 | 34 | 14 | |
| CF-K-100-265 | Centaflex-K-100-265 | 264.95 | 125 | 250 | 34 | 14 |
| CF-K-125-195 | 471099 Centaflex-K-125-195 | 195 | 136 | 200 | 30 | 10 |
| CF-K-125 SAE 10 | 470999 Centaflex-K-125-SAE10 | 314.3 | 136 | 295.3 | 30 | 20 |
| CF-K-125 SAE 11-1/2 | Centaflex-K-125-SAE11,5 | 352.4 | 136 | 333.4 | 30 | 20 |
| CF-K-150-230 | Centaflex-K-150-230 | 230 | 165 | 200 | 27 | 10 |
| CF-K-150 SAE 11-1/2 | Centaflex-K-150-SAE11,5 | 352.4 | 165 | 333.4 | 27 | 20 |
| CF-K-200 SAE 11-1/2 | Centaflex-K-200-SAE11,5 | 352.4 | 165 | 333.4 | 27 | 14 |
| CF-K-200 SAE 14 | Centaflex-K-200-SAE14 | 466.7 | 165 | 438.2 | 27 | 10 |
| CF-K-200-D SAE 14 | Centaflex-K-200-D-SAE14 | 466.7 | 165 | 438.2 | 27 | 5 |

Еластичний елемент муфти Centaflex-K-100-165 470800


Конструкція муфт Centaflex проста та лаконічна. Розташування еластичного елемента дозволяє швидко проводити інспекцію стану, але заміна еластичного елемента потребуватиме певних зусиль.

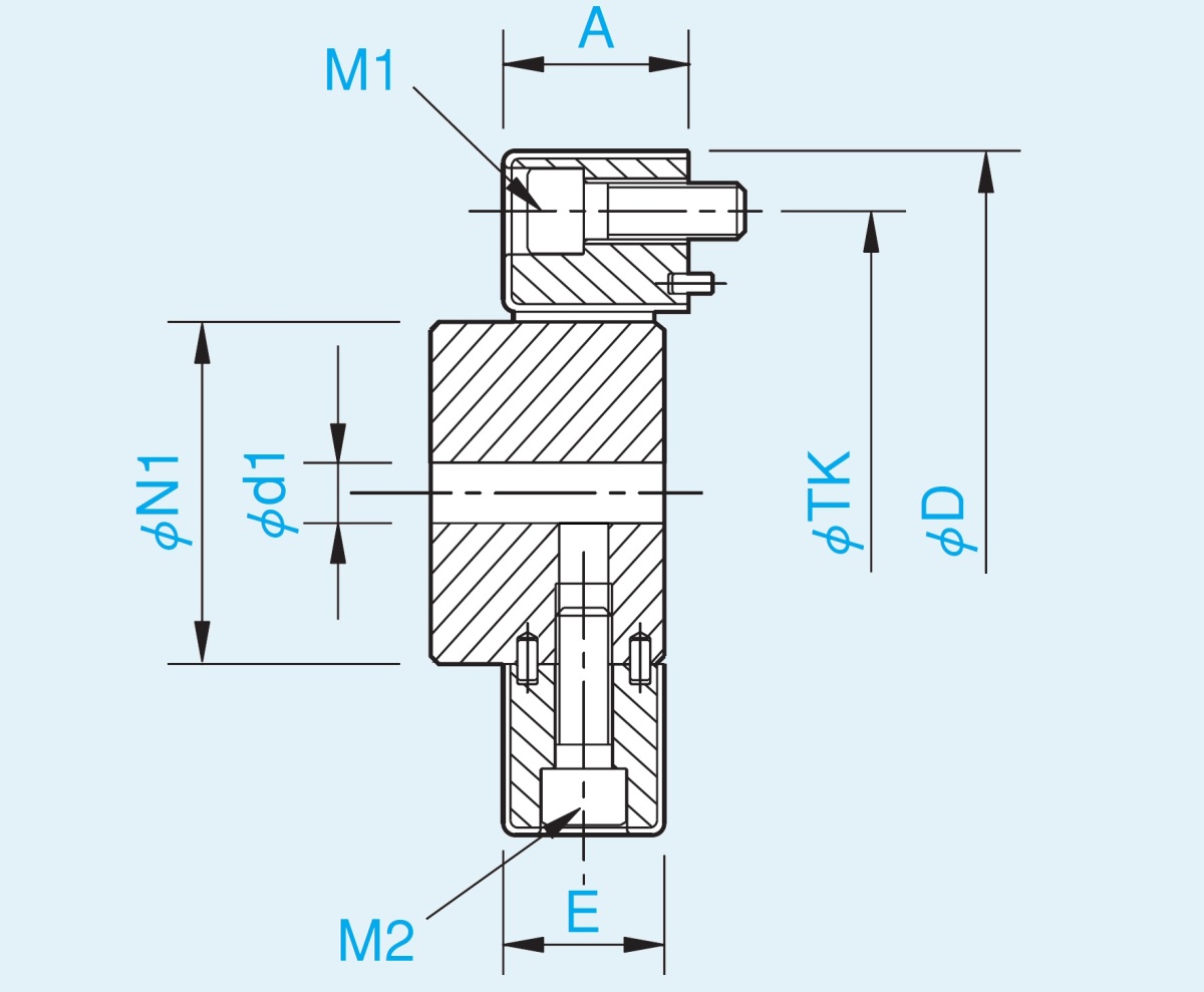
Розміри та маркування еластичних муфт Centaflex CF-A
| маркування | D, мм | TK, мм | A, мм | E, мм | N1, мм | d1 min/max | M1=M2 |
| Centaflex-A grosse 1 | 56 | 44 | 24 | 22 | 30 | 8/19 | 2xM6 |
| Centaflex-A grosse 2 | 85 | 68 | 24 | 20 | 40 | 10/28 | 2xM8 |
| Centaflex-A grosse 4 | 100 | 80 | 28 | 24 | 45 | 12/30 | 3xM8 |
| Centaflex-A grosse 8 | 120 | 100 | 32 | 28 | 60 | 12/38 | 3xM10 |
| Centaflex-A grosse 12 | 120 | 100 | 32 | 28 | 60 | 12/38 | 4xM10 |
| Centaflex-A grosse 16 | 150 | 125 | 42 | 36 | 70 | 15/48 | 3xM12 |
| Centaflex-A grosse 22 | 150 | 125 | 42 | 36 | 70 | 15/48 | 4xM12 |
| Centaflex-A grosse 25 | 170 | 140 | 46 | 40 | 85 | 15/55 | 3xM14 |
| Centaflex-A grosse 28 | 170 | 140 | 46 | 40 | 85 | 15/55 | 4xM14 |
| Centaflex-A grosse 30 | 200 | 165 | 58 | 50 | 100 | 20/65 | 3xM16 |
| Centaflex-A grosse 50 | 200 | 165 | 58 | 50 | 100 | 20/65 | 4xM16 |
| Centaflex-A grosse 80 | 205 | 165 | 65 | 61 | 100 | 20/65 | 4xM16 |
| Centaflex-A grosse 90 | 260 | 215 | 70 | 62 | 125 | 30/85 | 3xM20 |
| Centaflex-A grosse 140 | 260 | 215 | 70 | 62 | 125 | 30/85 | 4xM20 |
| Centaflex-A grosse 200 | 300 | 250 | 80 | 72 | 145 | 35/105 | 4xM20 |
| Centaflex-A grosse 250 | 340 | 280 | 85 | 77 | 160 | 40/115 | 4xM20 |
| Centaflex-A grosse 400 | 370 | 300 | 105 | 95 | 170 | 40/115 | 4xM24/20 |
| Centaflex-A grosse 600 | 470 | 380 | 125 | 110 | |||
| Centaflex-A grosse 800 | 545 | 370+470 | 145 | 128 |
Для побудування нового обладнання та ремонту вже існуючого ви зможете придбати еластичні муфти карданних валів, ланцюги, клинові шківи та паси, зірочки, що монтуються на монтажні втулки та безшпоночні муфти. На нашому сайті ви знайдете PDF-каталоги та іншу технічну інформацію.
Михайло Павінов
інженер
(098) 083-58-09
misha@motor-reduktor.com.ua
| Centaflex каталог муфт | Каталог Centaflex-K![]() | Ассортимент комплектующих КПД![]() |