misha@motor-reduktor.com.ua

Ви можете придбати прямозубі конічні колеса з модулем зуба: 1; 1,5; 2; 2,5; 3; 3,5; 4; 4,5; 5; З допомогою конічних шестерен ви зможете виготовити простий кутовий редуктор.
Прямозубі зубчасті колеса Sati виготовляються із вуглецевої сталі С45 (0.45% вуглецю), кут зачеплення α=20°, в стандартному стані постваки постачаютьсе без термообробки. Передаточні відношення згідно каталога складають: 1:1; 1:1,5; 1:2; 1:2,5; 1:3; 1:3,5; 1:4;

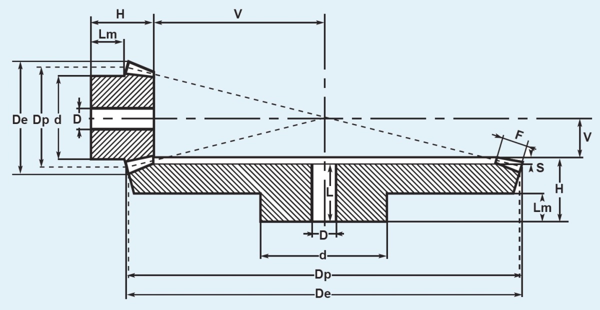
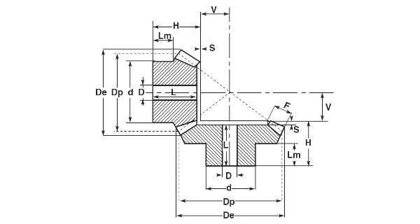
Конічна зубчаста пара з відношенням 1/1,5 - розміри та маркування
| модуль, М | Зубці, Z | артикул | De, mm | Dp, mm | H, mm | d, mm | D, mm | L, mm | допоміжне позначення |
| 1.0 | Z=16/24 | C26B240 | 18.1 24,8 | 16 24 | 12,0 14,8 | 13.3 20.3 | 4 5 | 13,3 | M1-B Z=16/24 |
| 1.5 | Z=16/24 | C27B240 | 27.1 37,2 | 24 36 | 20,3 24,9 | 20.3 28,3 | 8 8 | 22,7 | M1.5-B Z=16/24 |
| 2,0 | Z=16/24 | C28B240 | 36,2 49,7 | 32 48 | 25,2 27,2 | 25.3 32.3 | 8 8 | 24,7 | M2-B Z=16/24 |
| 2.5 | Z=16/24 | C29B240 | 45,2 62,1 | 40 60 | 30,8 34,0 | 32,3 45,3 | 12 16 | 30,8 | M2.5-B Z=16/24 |
| 3,0 | Z=16/24 | C30B240 | 54,3 74,5 | 48 72 | 32,4 36,2 | 32,3 45,3 | 12 16 | 32,0 | M3-B Z=16/24 |
| 3.5 | Z=16/24 | C35B240 | 63,3 86,9 | 56 84 | 40,4 44,2 | 45.3 55.3 | 16 20 | 40,0 | M3.5-B Z=16/24 |
| 4,0 | Z=16/24 | C31B240 | 72,3 99,3 | 64 96 | 46,8 45,5 | 50.3 60.3 | 16 20 | 40,0 | M4-B Z=16/24 |
| 4.5 | Z=16/24 | C45B240 | 81,4 111,7 | 72 108 | 47,6 57,8 | 60.3 80.3 | 20 25 | 51,3 | M4.5-B Z=16/24 |
| 5,0 | Z=16/24 | C32B240 | 90,5 124,1 | 80 120 | 54,1 61,1 | 60.3 80.3 | 25 30 | 54,5 | M5-B Z=16/24 |

Конічна зубчаста пара Sati з передаточним відношенням 1/2
| модуль, М | зубці, Z | артикул | De, mm | Dp, mm | H, mm | d, mm | D, mm | L, mm | допоміжне позначення |
| 1,5 | 16 32 | C27A322 | 26.7 49.3 | 24.0 48.0 | 19.5 20 | 21 32 | 10 12 | 13 17 | bevel gear pairs M. 1,5-A Z=16/32 32151216 + 33151232 |
| 2,0 | 16 32 | C28A322 | 35.6 65.8 | 32.0 64.0 | 23 25 | 26 40 | 12 12 | 21 21 | bevel gear pairs M. 2,0-A Z=16/32 32201216 + 33201232 |
| 2,5 | 16 32 | C29A322 | 44.4 82.2 | 40.0 80.0 | 27.5 26 | 34 50 | 12 15 | 25 20 | bevel gear pairs M. 2,5-A Z=16/32 32251216 + 33251232 |
| 3,0 | 16 32 | C30A322 | 53.4 98.7 | 48.0 96.0 | 28 30 | 40 60 | 15 15 | 25 24 | bevel gear pairs M. 3,0-A Z=16/32 32301216 + 33301232 |
| 3,5 | 16 32 | C35A322 | 62.3 115.1 | 56.0 112.0 | 33.5 31 | 48 70 | 15 20 | 30 24 | bevel gear pairs M. 3,5-A Z=16/32 32351216 + 33351232 |
| 4,0 | 16 32 | C31A322 | 71.1 131.6 | 64.0 128.0 | 36 32 | 50 80 | 20 20 | 32 24 | bevel gear pairs M. 4,0-A Z=16/32 32401216 + 33401232 |
| 4,5 | 16 32 | C45A322 | 80.1 148.0 | 72.0 144.0 | 39.5 36 | 60 90 | 20 25 | 35 27 | bevel gear pairs M. 4,5-A Z=16/32 32451216 + 33451232 |
| 5,0 | 16 32 | C32A322 | 88.9 164.5 | 80.0 160.0 | 50 38 | 60 100 | 20 25 | 45 28 | bevel gear pairs M. 5,0-A Z=16/32 32501216 + 33501232 |

Основні розміри та маркування конічних зубчастих колес Sati
| модуль, М | зубці, Z | артикул | De, mm | Dp, mm | H, mm | d, mm | D, mm | L, mm |
| 1.0 | Z=16/ 40 | C26B400 | 18.6 40.4 | 16 40 | 14,4 14,8 | 13,3 25,3 | 4 8 | 13 |
| 1.5 | Z=16/ 40 | C27B400 | 27.9 60.7 | 24 60 | 24.2 27.8 | 20.3 40.3 | 8 14 | 25.5 |
| 2,0 | Z=16/ 40 | C28B400 | 37.2 80.9 | 32 80 | 29.6 32.4 | 25.3 45.3 | 8 16 | 29 |
| 2.5 | Z=16/ 40 | C29B400 | 46.4 101.1 | 40 100 | 38.4 39.8 | 32.3 55.3 | 12 16 | 35.9 |
| 3,0 | Z=16/ 40 | C30B400 | 55.7 121.4 | 48 120 | 41.9 47.9 | 40.3 60.3 | 16 20 | 44 |
| 3.5 | Z=16/ 40 | C35B400 | 65.4 141.6 | 56 140 | 49.1 54.6 | 45.3 80.3 | 20 25 | 50 |
| 4,0 | Z=16/ 40 | C31B400 | 74.3 161.8 | 64 160 | 52.5 57 | 55.3 80.3 | 20 30 | 50.5 |
| 4.5 | Z=16/ 40 | C45B400 | 83.6 182.1 | 72 180 | 56.3 59.7 | 60.3 80.3 | 25 30 | 53 |
| 5,0 | Z=16/ 40 | C32B400 | 92.9 202.3 | 80 200 | 65.4 65.7 | 60.3 90.3 | 25 30 | 58.3 |
Посадочний отвір - чорновий. Для монтування шестерен на валах рекомендуємо використовувати безшпоночні затискні муфти. Для побудування відкритих зубчастих передач ви також можете придбати циліндричні зубчасті колеса та зубчасті рейки.
На сторінках нашого сайта ви можете завантажити PDF-каталоги конічних шестерень, циліндричних зубчастих коліс та рейок до них. Звертайтесь до наших інженерів і ви можете замовити розрахунок пасових передач, розрахунок ланцюгових передач, перевірочний розрахунок зубчастих муфт та підбір мотор-редукторів за технічним завданням.
Михайло Павінов
інженер
(098) 083-58-09
misha@motor-reduktor.com.ua
| Каталог - конічні шестерні Sati | Повний каталог Sati.![]() | |