misha@motor-reduktor.com.ua

Пара гвинт-гайка - один з найстаріших механізмів. Завдяки простій уонструкціх та своїм механічним властивостями гвинтові пари дуже поширені в промисловості, з їх допомогою можна реалізувати гвинтові актуатори, домкрати, актуатори, підйомники, преси та багато іншого.

Розміри та маркування ходових гвинтів Francia
| розмір різьби | маркування сталь С45 | маркування сталь нержавіюча |
| Tr12x3 | Francia 30-0090 | |
| Tr14x4 | Francia 30-0091 | |
| Tr14x4 LH ліва | Francia 30-0018 | |
| Tr16x4 | Francia 30-0092 | |
| Tr16x4 LH ліва | Francia 30-0019 | |
| Tr18x4 | Francia 30-0093 | Francia 30-0095 |
| Tr18x4 LH ліва | Francia 30-0020 | |
| Tr20x4 | Francia 30-0004 | Francia 30-0025 |
| Tr20x4 LH ліва | Francia 30-0021 | |
| Tr25x5 | Francia 30-0007 | Francia 30-0026 |
| Tr25x5 LH ліва | Francia 30-0023 | |
| Tr25x10 (P5) | Francia 30-0094 | |
| Tr30x6 | Francia 30-0012 | Francia 30-0096 |
| Tr30x6 LH ліва | Francia 30-0024 | |
| Tr35x6 | Francia 30-0014 | Francia 30-0097 |
| Tr40x6 | Francia 30-0016 | |
| Tr40x7 | Francia 30-0017 | Francia 30-0098 |
| Tr60x9 | Francia 30-0944 |
Стандартна довжина гвинтів складає 1000 та 3000 мм. При необхідності виготовлення іншого виду різьби, або додаткової обробки - звертайтесь з технічними завданнями та кресленнями до наших інженерів.
В комплекте вы можете приобрести гайки. Типових виконань гайок в компанії Francia два - шиліндрична гладка та циліндрична з фланцем.

Розміри та маркування гладких гайок з трапецієвидною різьбою
| розмір різьби | D, мм | L, мм | сталева гайка | бронзова гайка |
| Tr16x4 | 36 | 36 | Francia 35-0031 | |
| Tr16x4 LH | 36 | 36 | Francia 35-0039 | |
| Tr18x4 | 36 | 36 | Francia 35-0032 | |
| Tr18x4 LH | 36 | 36 | Francia 35-0040 | |
| Tr20x4 | 40 | 40 | Francia 35-0033 | Francia 35-0027 |
| Tr20x4 LH | 40 | 40 | Francia 35-0041 | Francia 35-0028 |
| Tr25x5 | 45 | 45 | Francia 35-0034 | Francia 35-0029 |
| Tr25x5 LH | 45 | 45 | Francia 35-0042 | Francia 35-0030 |
| Tr25x10 (P5) | 45 | 45 | Francia 35-0100 | |
| Tr30x6 | 50 | 50 | Francia 35-0035 | Francia 35-1065 |
| Tr30x6 LH | 50 | 50 | Francia 35-0043 | Francia 35-3028 |
| Tr35x6 | 55 | 55 | Francia 35-0036 | |
| Tr35x6 LH | 55 | 55 | Francia 35-0044 | |
| Tr40x6 | 60 | 60 | Francia 35-0037 | |
| Tr40x6 LH | 60 | 60 | Francia 35-0045 | |
| Tr40x7 | 60 | 60 | Francia 35-0046 |

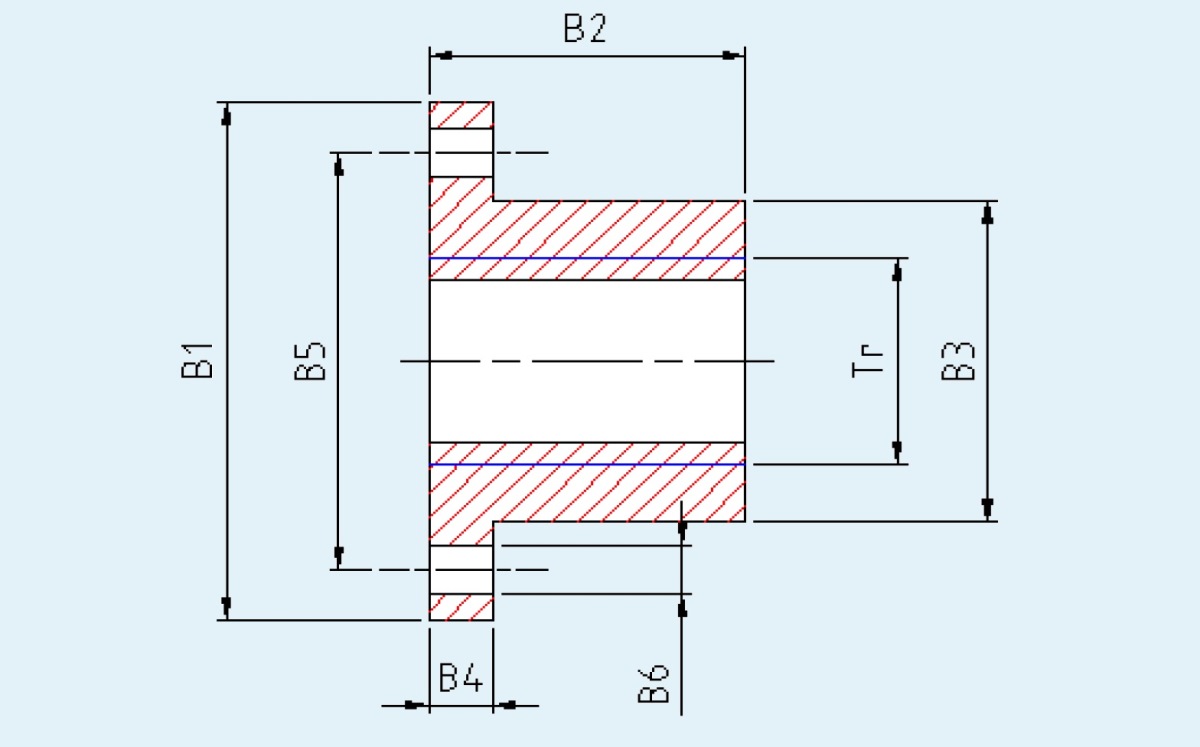
Розміри та маркування фланцевих гайок з трапецієвидною різьбою
| розмір різьби | B1, мм | B2, мм | B3, мм | B4, мм | B5, мм | B6, мм | бронзова гайка |
| Tr18x4 | 60 | 38 | 36 | 10 | 48 | 7 | Francia 35-1225 |
| Tr20x4 | 62 | 40 | 38 | 12 | 50 | 7 | Francia 35-0558 |
| Tr20x4 | 52 | 40 | 30 | 10 | 40 | 5,5 | Francia 35-0559 |
| Tr30x6 | 84 | 45 | 50 | 15 | 65 | 9 | Francia 35-0560 |
| Tr30x6 | 68 | 50 | 40 | 12 | 53 | 6,5 | Francia 35-0088 |
| Tr35x6 | Francia 35-2678 | ||||||
| Tr40x7 | 108 | 60 | 65 | 15 | 85 | 13 | Francia 35-0562 |
| Tr40x7 | 84 | 65 | 55 | 12 | 68 | 6,5 | Francia 35-0565 |
| Tr60x9 | 150 | 90 | 85 | 20 | 118 | 17 | Francia 35-0566 |
Для побудування відкритих передач та механізмів ми також можете придбати клинові шківи і клинові паси, зубчасті паси і зубчасті шківи, роликові ланцюги та зірочки, конічні зубчасті пари, циліндричні зубчасті колеса та зубчасті рейки, опорні підшипникові вузли.

На сторінках нашого сайта ви можете завантажити PDF-каталоги трапецієвихних гвинтів та гайок до них. Якщо вам необхідно підібрати редуктори, електродвигуни та пружні муфти - звертайтесь з технічним завданням до наших інженерів.
Михайло Павінов
інженер
(098) 083-58-09
misha@motor-reduktor.com.ua
| Каталог трапециевидных винтов ![]() | ||