misha@motor-reduktor.com.ua

Двохрядна зірочка ланцюга 06B-2 з загартованим зубом - виробництво Sati spa. Зірочка виготовлена з вуглецевої сталі, твердість зубів 45-55 HRC, посадочний отвір не оброблений. Акщо необхідні зірочки з готовим посадочним отвором - зверніть вашу увагу на зірочки з монтажними втулками та зірочки з обробленим посадочним отвором.

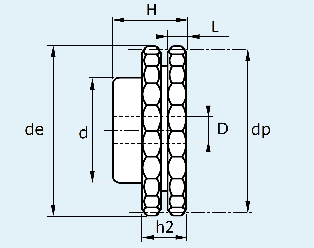
Розміри та маркування зірочок для ланцюга 06B-2 (3/8" x 7/32") L=5.2 h2=15.4
| артикул | Z зубці | De | Dp | d | D | Додаткове позначення |
| Sati PD05T08 | 8 | 28,0 | 24,89 | 15 | 8 | 06B-2-8-N (3/8 × 7/32) z=8, 3/8D-8T-PB-FEN, P206B008DTTT, 3DR8 |
| Sati PD05T09 | 9 | 31,0 | 27,85 | 18 | 8 | 06B-2-9-N (3/8 × 7/32) z=9, 3/8D-9T-PB-FEN, P206B009DTTT, 3DR9 |
| Sati PD05T10 | 10 | 34,0 | 30,82 | 20 | 8 | 06B-2-10-N (3/8 × 7/32) z=10, 3/8D-10T-PB-FEN, P206B010DTTT, 3DR10 |
| Sati PD05T11 | 11 | 37,0 | 33,80 | 22 | 8 | 06B-2-11-N (3/8 × 7/32) z=11, 3/8D-11T-PB-FEN, P206B011DTTT, 3DR11 |
| Sati PD05T12 | 12 | 40,0 | 36,80 | 25 | 8 | 06B-2-12-N (3/8 × 7/32) z=12, 3/8D-12T-PB-FEN, P206B012DTTT, 3DR12 |
| Sati PD05T13 | 13 | 43,0 | 39,80 | 28 | 10 | 06B-2-13-N (3/8 × 7/32) z=13, 3/8D-13T-PB-FEN, P206B013DTTT, 3DR13 |
| Sati PD05T14 | 14 | 46,3 | 42,80 | 31 | 10 | 06B-2-14-N (3/8 × 7/32) z=14, 3/8D-14T-PB-FEN, P206B014DTTT, 3DR14 |
| Sati PD05T15 | 15 | 49,3 | 45,81 | 34 | 10 | 06B-2-15-N (3/8 × 7/32) z=15, 3/8D-15T-PB-FEN, P206B015DTTT, 3DR15 |
| Sati PD05T16 | 16 | 52,3 | 48,82 | 37 | 10 | 06B-2-16-N (3/8 × 7/32) z=16, 3/8D-16T-PB-FEN, P206B016DTTT, 3DR16 |
| Sati PD05T17 | 17 | 55,3 | 51,83 | 40 | 10 | 06B-2-17-N (3/8 × 7/32) z=17, 3/8D-17T-PB-FEN, P206B017DTTT, 3DR17 |
| Sati PD05T18 | 18 | 58,3 | 54,85 | 43 | 10 | 06B-2-18-N (3/8 × 7/32) z=18, 3/8D-18T-PB-FEN, P206B018DTTT, 3DR18 |
| Sati PD05T19 | 19 | 61,3 | 57,87 | 46 | 10 | 06B-2-19-N (3/8 × 7/32) z=19, 3/8D-19T-PB-FEN, P206B019DTTT, 3DR19 |
| Sati PD05T20 | 20 | 64,3 | 60,89 | 49 | 10 | 06B-2-20-N (3/8 × 7/32) z=20, 3/8D-20T-PB-FEN, P206B020DTTT, 3DR20 |
| Sati PD05T21 | 21 | 68,0 | 63,91 | 52 | 12 | 06B-2-21-N (3/8 × 7/32) z=21, 3/8D-21T-PB-FEN, P206B021DTTT, 3DR21 |
| Sati PD05T22 | 22 | 71,0 | 66,93 | 55 | 12 | 06B-2-22-N (3/8 × 7/32) z=22, 3/8D-22T-PB-FEN, P206B022DTTT, 3DR22 |
| Sati PD05T23 | 23 | 73,5 | 69,95 | 58 | 12 | 06B-2-23-N (3/8 × 7/32) z=23, 3/8D-23T-PB-FEN, P206B023DTTT, 3DR23 |
| Sati PD05T24 | 24 | 77,0 | 72,97 | 61 | 12 | 06B-2-24-N (3/8 × 7/32) z=24, 3/8D-24T-PB-FEN, P206B024DTTT, 3DR24 |
| Sati PD05T25 | 25 | 80,0 | 76,00 | 64 | 12 | 06B-2-25-N (3/8 × 7/32) z=25, 3/8D-25T-PB-FEN, P206B025DTTT, 3DR25 |
| Sati PD05T26 | 26 | 83,0 | 79,02 | 67 | 12 | 06B-2-26-N (3/8 × 7/32) z=26, 3/8D-26T-PB-FEN, P206B026DTTT, 3DR26 |
| Sati PD05T27 | 27 | 86,0 | 82,04 | 70 | 12 | 06B-2-27-N (3/8 × 7/32) z=27, 3/8D-27T-PB-FEN, P206B027DTTT, 3DR27 |
| Sati PD05T28 | 28 | 89,0 | 85,07 | 73 | 12 | 06B-2-28-N (3/8 × 7/32) z=28, 3/8D-28T-PB-FEN, P206B028DTTT, 3DR28 |
| Sati PD05T30 | 30 | 94,7 | 91,12 | 79 | 12 | 06B-2-30-N (3/8 × 7/32) z=30, 3/8D-30T-PB-FEN, P206B030DTTT, 3DR30 |
| Sati PD05T32 | 32 | 101,3 | 97,17 | 80 | 14 | 06B-2-32-N (3/8 × 7/32) z=32, 3/8D-32T-PB-FEN, P206B032DTTT, 3DR32 |
| Sati PD05T34 | 34 | 107,3 | 103,23 | 80 | 14 | 06B-2-34-N (3/8 × 7/32) z=34, 3/8D-34T-PB-FEN, P206B034DTTT, 3DR34 |
| Sati PD05T35 | 35 | 110,4 | 106,26 | 80 | 14 | 06B-2-35-N (3/8 × 7/32) z=35, 3/8D-35T-PB-FEN, P206B035DTTT, 3DR35 |
| Sati PD05T36 | 36 | 113,4 | 109,29 | 90 | 16 | 06B-2-36-N (3/8 × 7/32) z=36, 3/8D-36T-PB-FEN, P206B036DTTT, 3DR36 |
| Sati PD05T38 | 38 | 119,5 | 115,34 | 90 | 16 | 06B-2-38-N (3/8 × 7/32) z=38, 3/8D-38T-PB-FEN, P206B038DTTT, 3DR38 |
| Sati PD05T40 | 40 | 125,5 | 121,40 | 90 | 16 | 06B-2-40-N (3/8 × 7/32) z=40, 3/8D-40T-PB-FEN, P206B040DTTT, 3DR40 |
Сталеві зірочки для ланцюгів виробництва Sati мають високу якість та точність обробки, добре співпрацюють з ланцюгами таких виробників, як Rexnord, Renold SD, SKF, Fenner, Sedis, Regina, Kettenwulf, Wippermann, Vision, Diamond chain, Iris, IWIS, FB Kedjor, Dunlop.
На сторінках нашого сайта ви можете скачати PDF-каталоги та допоміжну технічну інформацію. Звернувшись до наших інженерів ви можете замовити розрахунок ланцюгових передач та підбір комплектуючих привода згідно технічного завдання.
Михайло Павінов
інженер
(098) 083-58-09
misha@motor-reduktor.com.ua