misha@motor-reduktor.com.ua
Салазки для встановлення лапового електродвигуна. Виробництво - Desch, Німеччина (Arntsberg), Sati, Італия.
Призначені для натягування пасів клинопасової передачі, яка передає потужність з електродвигуна на обладнанняю Салазкам електродвигунів властива універсальність, тому завдяки ним, ви можете встановлювати як електродвигуни іноземного виробництва стандартів IEC та NEMA, а також і вітчизняні електродвигуни типів АИР, АИС, АИРМ, 4АМ, ДАТ, 4АМН.

При підборі салазок для електродвигуна, необхідно враховувати кілька основних факторів:
- габарит двигуна (висота від лап, до центра вала), відстань між отворами в лапах
- довжину хода, які дозволяє компенсувати обраний тип салазок

Сталеві оцинковані комбіновані салазки є самим простим та дешевим варіантом встановлення електродвигуна. Їх дуже легко монтувати та настроювати. Використовуються для встановлення електродвигунів від 63-го до 180-го габариту.
| типорозмір | габарит електродвигуна | B | L | вага | |
| Desch | Sati | мм | мм | кг | |
| 210 | SL00210 | 63 - 80 | 195 | 210 | 2.3 |
| 270 | SL00240 | 63 - 112 | 195 | 270 | 2.7 |
| SL00307 | 90 - 112 | 213 | 307 | 3.5 | |
| 340 | SL00340 | 90 - 132 | 290 | 340 | 6.3 |
| 430 | SL00430 | 90 - 160 | 290 | 430 | 7.4 |
| 490 | SL00490 | 160 - 180 | 410 | 490 | 12.7 |

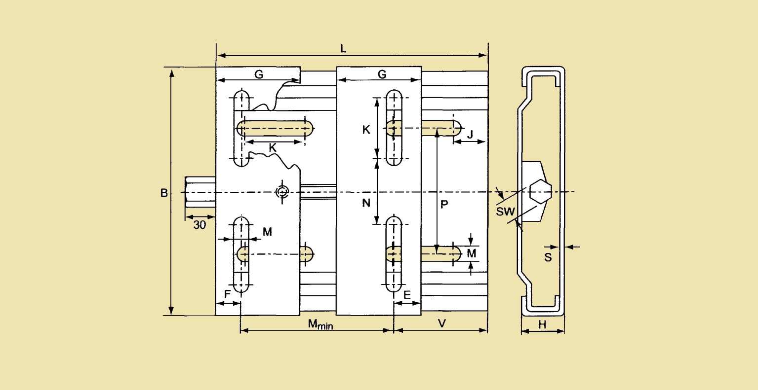
Сталеві оцинковані одинарні салазки Desch мають більший асортимент та быльшу навантажувальну здатність.
Асортимент салазок налічує наступні типорозміри:
| типорозмір | габарит електродвигуна | L | В | Н2 | товщина | М | вага |
| мм | мм | мм | мм | мм | кг | ||
| із рухомим опорним кронштейном | |||||||
| 312/6 | 63 / 71 | 312 | 40 | 28 | 2 | М6 | 1,5 |
| 312/8 | 80 / 90 | 312 | 40 | 28 | 2 | М8 | 1,5 |
| 375/6 | 63 / 71 | 375 | 40 | 28 | 2 | М6 | 1,6 |
| 375/8 | 80 / 90 | 375 | 40 | 28 | 2 | М8 | 1,6 |
| 375/10 | 100 / 112 | 375 | 40 | 28 | 2 | М10 | 1,6 |
| 395/8 | 80 / 90 | 395 | 50 | 40 | 3 | М8 | 3,4 |
| 395/10 | 100 / 112 | 395 | 50 | 40 | 3 | М10 | 3,4 |
| 495/8 | 80 / 90 | 495 | 50 | 40 | 3 | М8 | 4,0 |
| 495/10 | 100 / 112 / 132 | 495 | 50 | 40 | 3 | М10 | 4,0 |
| 495/12 | 160 | 495 | 50 | 40 | 3 | М12 | 4,0 |
| 530/10 | 132 | 530 | 60 | 50 | 4 | М10 | 6,4 |
| 530/12 | 160 | 530 | 60 | 50 | 4 | М12 | 6,4 |
| 630/10 | 132 | 630 | 60 | 50 | 4 | М10 | 8,2 |
| 630/12 | 160 / 180 | 630 | 60 | 50 | 4 | М12 | 8,2 |
| 686/12 | 160 / 180 | 686 | 75 | 60 | 4 | М12 | 12,8 |
| 686/16 | 200 / 225 | 686 | 75 | 60 | 4 | М16 | 12,8 |
| із нерухомим опорним кронштейном | |||||||
| 864/16 | 220 / 225 | 864 | 90 | 75 | 4 | М16 | 16,6 |
| 864/20 | 250 / 280 | 864 | 90 | 75 | 4 | М20 | 16,6 |
| 1072/20 | 250 / 280 | 1072 | 112 | 100 | 5 | М20 | 33,4 |
| 1072/24 | 315 | 1072 | 112 | 100 | 5 | М24 | 33,5 |
| 1330/24 | 315 / 355 | 1330 | 130 | 125 | 6 | М24 | 56,6 |

Чавунні направляючі для електродвигунів ммають найб'льший асортимент консрукцій, та можуть бути використані для встановлення електродвигуна від 80-го до 315-го розміру, а також для монтажу інших крупногабаритних пристроїв. Основні розміри та характеристики:
| типорозмір, L1 | габарит електродвигуна | b1 | h | d2 | вага |
| мм | мм | мм | мм | кг | |
| салазки DIN 42923 | |||||
| 265 | 80 / 90 | 40 | 35 | М8 | 1,75 |
| 315 | 80 / 90 | 45 | 35 | М8 | 2,5 |
| 355 | 100 | 50 | 40 | М10 | 3,25 |
| 400 | 112 / 132 | 55 | 45 | М10 | 4,25 |
| 500 | 160 / 180 | 70 | 55 | М12 | 9 |
| 630 | 200 / 225 | 85 | 65 | М12 | 14 |
| 800 | 250 / 280 | 100 | 75 | М20 | 25 |
| 1000 | 315 | 120 | 80 | М24 | 40 |
| 1250 | 120 | 80 | М24 | 47,5 | |
| салазки полегшеного дизайну | |||||
| 250 | 80 / 90 | 30 | 33 | M8 | 1,5 |
| 330 | 100 / 112 / 132 | 34 | 35 | M10 | 2,25 |
| 400 | 160 / 180 | 38 | 42 | M12 | 3,25 |
| 450 | 160 / 180 | 40 | 44 | M12 | 4 |
| 500 | 160 / 180 | 45 | 48 | M16 | 6 |
| 550 | 200 / 225 | 46 | 53 | M16 | 7 |
| 600 | 200 / 225 | 50 | 55 | M16 | 8 |
| 650 | 200 / 225 | 54 | 55 | M20 | 8,75 |
| 700 | 250 / 280 | 65 | 60 | M20 | 12,5 |
| 800 | 250 / 280 | 68 | 60 | M20 | 16 |
| 900 | 250 / 280 | 70 | 68 | M20 | 20 |
| 1000 | 315 | 75 | 72 | M24 | 27 |
| 1100 | 315 | 80 | 74 | M24 | 30 |
| 1200 | 315 | 85 | 76 | M24 | 35 |
| 1300 | 315 | 85 | 78 | M24 | 38,5 |
| 1400 | 315 | 90 | 80 | M24 | 47,5 |
| 1500 | 315 | 90 | 90 | M24 | 55 |
| 1600 | 140 | 100 | M27 | 102,5 | |
| 1700 | 140 | 100 | M27 | 107,5 | |
| 1900 | 160 | 110 | M27 | 152,5 | |
| 2200 | 180 | 125 | M30 | 205 | |
Інженери нашої компанії допоможуть вам знайти альтернативу салазкам Rotor NL, Fenner power transmission, SKF, ABB, Challenge PT, Veco transmissions, Optibelt.
В якості альтернативи салазкам електродвигуна ви можете використовувати варіаторні шківи. Такі шківи допоможуть зробити обладнання більш компактним, але мають менший діапазон регулювання по довжині паса.
Михайло Павінов
інженер
(098) 083-58-09
misha@motor-reduktor.com.ua
Desch - салазки електродвигунів | Sati -салазки електродвигунів![]() | |