misha@motor-reduktor.com.ua

Одноступінчастий черв'ячний редуктор, міжвісьова відстань 150 мм, корпус редуктора виготовлений з чавуну.

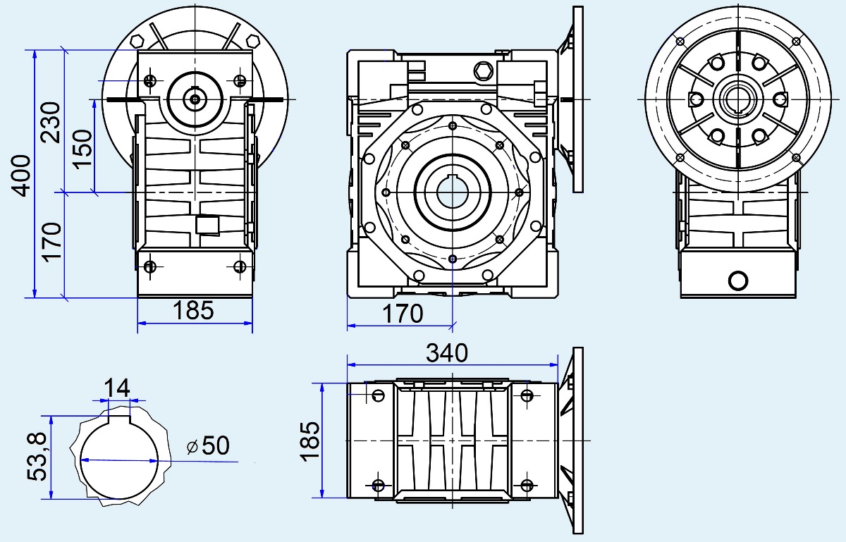
Розміри та маркування черв'ячних мотор-редукторів Sati VP150
| маркування SATI | маркування | i | фланець мотора | допоміжне маркування |
| Type VP150 PAM160B5 i=7.5 | Type JRSTD150-160B5 size 150 ratio 7,5 | 1/7,5 | 160 B5 | CHM-150 U PAM160 i=7.5 NMRV150 7.5 IEC160B5 PMRV/150 i=7.5 VP 150 P R7.5 160B5 B3 |
| Type VP150 PAM160B5 i=10 | Type JRSTD150-160B5 size 150 ratio 10 | 1/10 | 160 B5 | CHM-150 U PAM160 i=10 NMRV150 10 IEC160B5 PMRV/150 i=10 VP 150 P R10 160B5 B3 |
| Type VP150 PAM160B5 i=15 | Type JRSTD150-160B5 size 150 ratio 15 | 1/15 | 160 B5 | CHM-150 U PAM160 i=15 NMRV150 15 IEC160B5 PMRV/150 i=15 VP 150 P R15 160B5 B3 |
| Type VP150 PAM132B5 i=20 | Type JRSTD150-132B5 size 150 ratio 20 | 1/20 | 132 B5 | CHM-150 U PAM132 i=20 NMRV150 20 IEC132B5 PMRV/150 i=20 VP 150 P R20 132B5 B3 |
| Type VP150 PAM160B5 i=20 | Type JRSTD150-160B5 size 150 ratio 20 | 1/20 | 160 B5 | CHM-150 U PAM160 i=20 NMRV150 20 IEC160B5 PMRV/150 i=20 VP 150 P R20 160B5 B3 |
| Type VP150 PAM132B5 i=25 | Type JRSTD150-132B5 size 150 ratio 25 | 1/25 | 132 B5 | CHM-150 U PAM160 i=25 NMRV150 25 IEC132B5 PMRV/150 i=25 VP 150 P R25 132B5 B3 |
| Type VP150 PAM160B5 i=25 | Type JRSTD150-160B5 size 150 ratio 25 | 1/25 | 160 B5 | CHM-150 U PAM160 i=25 NMRV150 25 IEC160B5 PMRV/150 i=25 VP 150 P R25 160B5 B3 |
| Type VP150 PAM132B5 i=30 | Type JRSTD150-132B5 size 150 ratio 30 | 1/30 | 132 B5 | CHM-150 U PAM132 i=30 NMRV150 30 IEC132B5, PMRV/150 i=30 VP 150 P R30 132B5 B3 |
| Type VP150 PAM112B5 i=40 | Type JRSTD150-112B5 size 150 ratio 40 | 1/40 | 100B5 112 B5 | CHM-150 U PAM112 i=40 NMRV150 40 IEC100B5, PMRV/150 i=40 VP 150 P R40 100/112B5 B3 |
| Type VP150 PAM132B5 i=40 | Type JRSTD150-132B5 size 150 ratio 40 | 1/40 | 132 B5 | CHM-150 U PAM132 i=40 NMRV150 40 IEC132B5, PMRV/150 i=40 VP 150 P R40 132B5 B3 |
| Type VP150 PAM112B5 i=50 | Type JRSTD150-100B5 size 150 ratio 50 | 1/50 | 100B5 112 B5 | CHM-150 U PAM100 i=50 NMRV150 50 IEC100B5, PMRV/150 i=50 VP 150 P R50 100/112B5 B3 |
| Type VP150 PAM132B5 i=50 | Type JRSTD150-132B5 size 150 ratio 50 | 1/50 | 132 B5 | CHM-150 U PAM132 i=50 NMRV150 50 IEC132B5, PMRV/150 i=50 VP 150 P R50 132B5 B3 |
| Type VP150 PAM112B5 i=60 | Type JRSTD150-112B5 size 150 ratio 60 | 1/60 | 100B5 112 B5 | CHM-150 U PAM112 i=60 NMRV150 60 IEC100B5, PMRV/150 i=60 VP 150 P R60 100/112B5 B3 |
| Type VP150 PAM132B5 i=60 | Type JRSTD150-132B5 size 150 ratio 60 | 1/60 | 132B5 | CHM-150 U PAM132 i=60 NMRV150 60 IEC132B5, PMRV/150 i=60 VP 150 P R60 132B5 B3 |
| Type VP150 PAM112B5 i=80 | Type JRSTD150-100B5 size 150 ratio 80 | 1/80 | 100B5 112 B5 | CHM-150 U PAM100 i=80 NMRV150 80 IEC100B5, PMRV/150 i=80 VP 150 P R80 100/112B5 B3 |
| Type VP150 PAM112B5 i=100 | Type JRSTD150-112B5 size 150 ratio 100 | 1/100 | 100B5 112B5 | CHM-150 U PAM112 i=100 NMRV150 100 IEC100B5, PMRV/150 i=100 VP 150 P R100 100/112B5 B3 |
Наші редуктори - чудова альтернатива приводам Motovario, Transtechno, Chiaravalli, Innovari, Hydro-mec, Challenge, Yilmaz, PGR. Завдяки універсальним приєднувальним розмірам черв'ячні редуктори Sati VP

Приєднувальні розміри вланця електродвигуна та їх позначення:
| габарит электродвигуна | вал D | фланець P | отвори M | буртик N | варіанти маркування фланця |
| мм | мм | мм | мм | ||
| IEC 100 B5 | 28 | 250 | 215 | 180 | PAM28/250, 2502828 |
| IEC 112 B5 | 28 | 250 | 215 | 180 | PAM28/250, 2502828 |
| IEC 132 B5 | 38 | 300 | 265 | 230 | PAM38/300 |
| IEC 160 B5 | 42 | 350 | 300 | 250 | PAM42/350 |
На сторінках нашого сайта ви можете завантажити PDF-каталоги електродвигунів з гальмом, редукторів, систем незалежного обдува, енкодерів та допоміжгу технічну інформацію. Звертайтесь до наших інженерів і ви зможете замовити розрахунок пасових передач, розрахунок ланцюгових передач, підбір пневматичних гальм та пружних муфт, мотор-редукторів за технічним завданням.