misha@motor-reduktor.com.ua

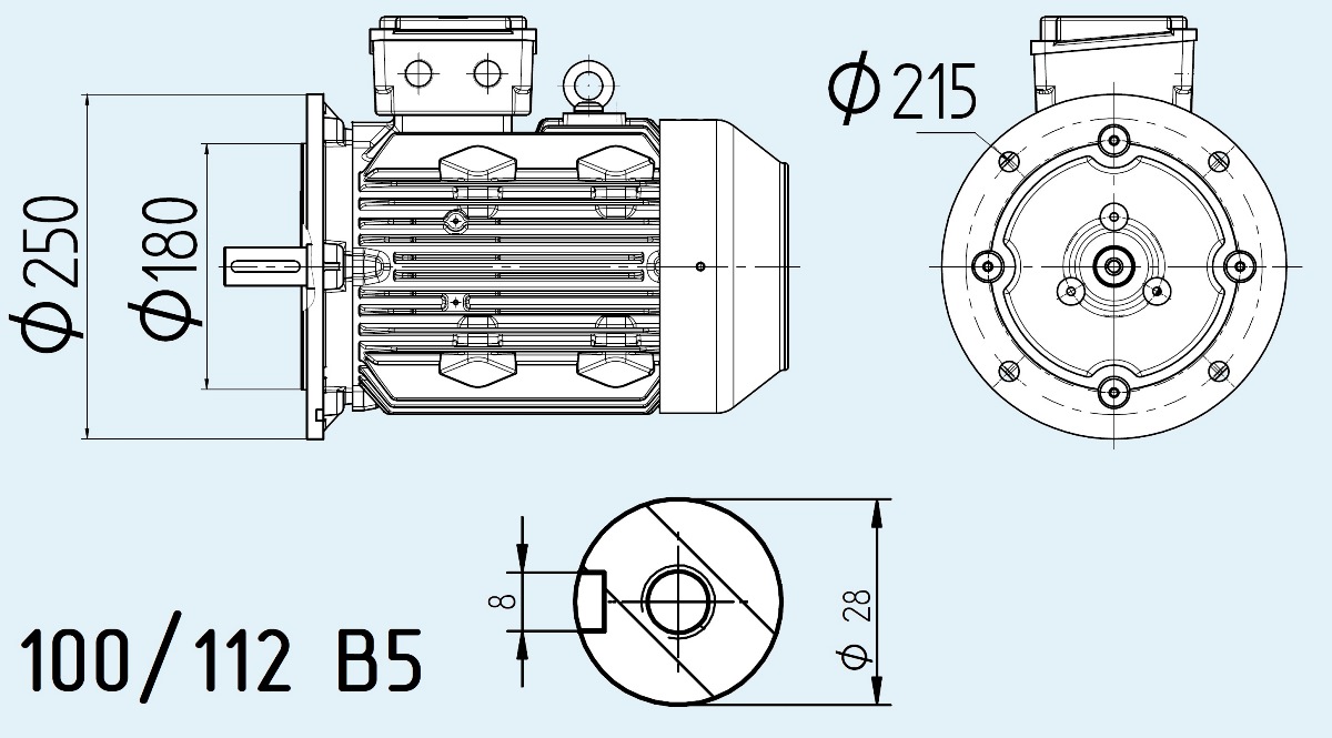
Асинхронний електродвигун - це один з найпоширеніших типів електричних машин. Такий електродвигун має просту та надійеу конструкцію, високу надійність та ефективність. Приєднувальні розміри асинхронних електродвигунів стандартизовані та уніфіковані, але всеодно при заміні електродвигуна варто їх перевірити. В каталогах фланець B5 (великий фланець) може мати кодове позначення IM3001, IM V1, IM3011, IM V3, IM 3031.

В залежності від виробника, класу енегоефективності електродвигуна він буде мати різне маркування, але всерівно в позначенні будуть відслідковуватись схожі риси:
Маркування електродвигуна Jie asiadrive (KPD-Drive)
- алюмінієвий корпус з чавунними кришками DS100M4/IEC/FF215 B5 3KW, 380V/50Hz
Маркування електродвигуна Sati spa
- корпус - алюміній SATI - IE1 100LB 3,00KW 4P 230/400V B5 S3/75% артикул M11003004B5
- корпус - алюміній SATI - IE2 100LB 3,00KW 4P 230/400V B5 S1 артикул M21003004B5
- корпус - алюміній SATI - IE3 100LB 4P 3,00KW 230/400V B5 S1 артикул M31003004B5
Маркування електродвигуна Dutchi motors the Netherlands
- чавунний корпус - DM1 100 Lx4 3kW 230/400V 50Hz B5
- алюмінієвий корпус - DMA2 100 Lx4 3kW 230/400V 50Hz 1425rpm / 60Hz 1720 rpm IP55 IMB5 IEC 60034-1
Маркування електродвигуна Brook Crompton
- корпус - чавун - WU-DF100LTF-4 3KW 230/400V B5 IE2 100W247511T
- корпус - алюміній - WU-DA100LR-4P 3KW 230/400V B5 100W247411
Маркування електромотора ATB Tamel Tarnow
- електродвигун - 4SKg100L-4B-IE3 B5 400V r/min 1440 a.c.motor iec 60034
- електродвигун - 3SG100L-4B-IE2 Kw 3.00 V 230/400 r/min 1455 Hz50 100G0634B1
Маркування Stober:
- Stober antriebstechnik 3-typ B21R 100 LX4 ST03 TLB IEC IMB3 DIN-EN 60034-1 3.0kW S1 1430//1750 rpm 50//60Hz ICL F
Маркування електродвигуна MGM motori elettrici Італія:
- Алюмімієвий корпус SM 100 LB4 KW 3 230/400/50 IE1 B5 CL. F
- Алюмімієвий корпус SMX 112 MB4 KW 3.0 IE3 3x230/400/50 В5 CL.F IP55

Найчастіше за все фланцеві електродвигуни призначені для встановлення на редуктор. Завдяки центруючпму буртику на флаеці мотор встановлюється повністю співвісно та не має биття, а саме встановення мотора та його обслуговування не потребує використання спеціалізованних інструментів або якихось специфічних навичок.
Таким чином виготовлюється більша частина мотор-редукторів Benzlers, наприклад циліндричний співвісний, черв'ячно-циліндричний, конічно-циліндричний, планетарний та редуктор з параллельними валами.

Також, слід зауважити, що електродвигуни потужністю 3,0 кВт з фланцем B5 за розмірами сумісні з електродвигунами потужністю 2,2 кВт та 4,0 кВт. Таким чином, при необхідності збільшення або зменшення потужності приводу ви можете зробити заміну електродвигуна без конструктивних доопрацювань.
На сторінках нашого сайта ви можете завантажити PDF-каталоги електродвигунів та додаткову технічну інформацію. Якщо вам необхідна технічна доаомога в підборі електродвигуна - звертайтесь з технічним завданням до наших інженерів.
Для комплектації приволу ви також можете придбати еластичні муфти, слазки електродвигуна, гідромуфти, зубчасті колеса та зубчасті рейки, клинові паси та клинові шківи.
Михайло Павінов
інженер
(098) 083-58-09
misha@motor-reduktor.com.ua
| Каталог электродвигателей Brook Crompton (алюминий) | Электродвигатель повышенной энергоэффективности Premium | Каталог электродвигаталей MGM Motori elettricci |
| Электродвигатель IE4 Brook Crompton ![]() |