misha@motor-reduktor.com.ua
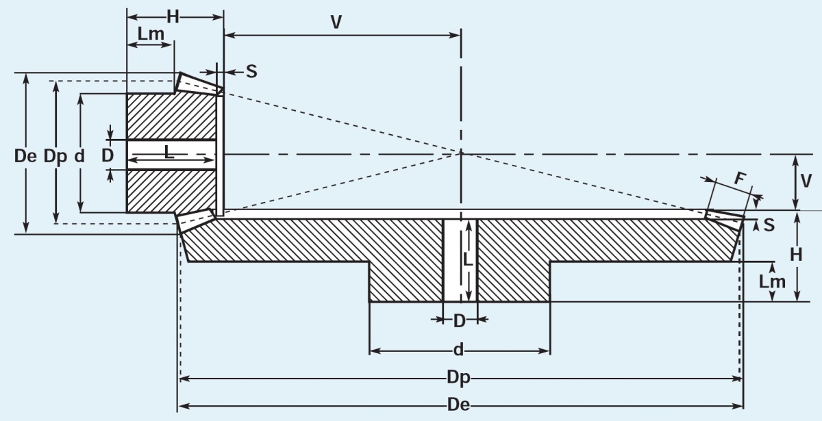
Материал конических шестерен - сталь С45, угол зацепления α=20°. посадочное отверстие - черновое. Коническая зубчатая передача позволяет поменять направление движения на 90º, благодаря этому свойству она нашла широкое применение в механизмах синхронизации.
Модуль зуба 1; 1,5; 2; 2,5; 3; 3,5; 4; 4,5; 5; Конические шестерни исользуются для изготовления конического углового редуктора и в открытых зубчатых передачах с пересекающимися валами.
Передаточные числа, которые можно получить ипользуя конические зубчатые пары Sati соответствуют ряду: 1:1; 1:1,5; 1:2; 1:2,5; 1:3; 1:3,5; 1:4;

Конические шестерни, прямозубые, исполнение "А", передаточное отношение 1:1
| модуль, М | кол-во зубов, Z | артикул | De, mm | Dp, mm | H, mm | d, mm | D, mm | L, mm | дополнительная маркировка |
| 1.5 | 16 | C27A161 | 26.1 | 24.0 | 18.9 | 20.3 | 8 | 16.9 | Sati 1:1 M=1,5 Z1=16 Z2=16 |
| 20 | C27A201 | 32.1 | 30.0 | 20 | 22 | 10 | 18 | Sati 1:1 M=1,5 Z1=20 Z2=20 | |
| 22 | C27A221 | 35.1 | 33.0 | 20 | 25 | 10 | 18 | Sati 1:1 M=1,5 Z1=22 Z2=22 | |
| 25 | C27A251 | 39.6 | 37.5 | 23 | 28 | 10 | 21 | Sati 1:1 M=1,5 Z1=25 Z2=25 | |
| 30 | C27A301 | 47.1 | 45.0 | 25 | 30 | 12 | 22.5 | Sati 1:1 M=1,5 Z1=30 Z2=30 | |
2,0 | 16 | C28A161 | 34.8 | 32.0 | 23.5 | 25.3 | 10 | 20.5 | Sati 1:1 M=2 Z1=16 Z2=16 |
| 20 | C28A201 | 42.8 | 40.0 | 25 | 32 | 10 | 22 | Sati 1:1 M=2 Z1=20 Z2=20 | |
| 22 | C28A221 | 46.8 | 44.0 | 25 | 36 | 10 | 22 | Sati 1:1 M=2 Z1=22 Z2=22 | |
| 25 | C28A251 | 52.8 | 50.0 | 28 | 40 | 12 | 25 | Sati 1:1 M=2 Z1=25 Z2=25 | |
| 30 | C28A301 | 62.8 | 60.0 | 30 | 50 | 12 | 27 | Sati 1:1 M=2 Z1=30 Z2=30 | |
| 2.5 | 16 | C29A161 | 43.5 | 40.0 | 28.1 | 30.3 | 12 | 24.6 | Sati 1:1 M=2,5 Z1=16 Z2=16 |
| 20 | C29A201 | 53.5 | 50.0 | 30.5 | 40 | 12 | 27 | Sati 1:1 M=2,5 Z1=20 Z2=20 | |
| 22 | C29A221 | 58.5 | 55.0 | 30.5 | 45 | 12 | 27 | Sati 1:1 M=2,5 Z1=22 Z2=22 | |
| 25 | C29A251 | 66.0 | 62.5 | 33.5 | 50 | 15 | 30 | Sati 1:1 M=2,5 Z1=25 Z2=25 | |
| 30 | C29A301 | 78.5 | 75.0 | 33.5 | 55 | 15 | 32 | Sati 1:1 M=2,5 Z1=30 Z2=30 | |
| 3.0 | 16 | C30A161 | 52.2 | 48.0 | 31.7 | 40.3 | 15 | 27.7 | Sati 1:1 M=3 Z1=16 Z2=16 |
| 20 | C30A201 | 64.2 | 60.0 | 35 | 45 | 15 | 31 | Sati 1:1 M=3 Z1=20 Z2=20 | |
| 22 | C30A221 | 70.2 | 66.0 | 35 | 50 | 15 | 31 | Sati 1:1 M=3 Z1=22 Z2=22 | |
| 25 | C30A251 | 79.2 | 75.0 | 38 | 55 | 15 | 34 | Sati 1:1 M=3 Z1=25 Z2=25 | |
| 30 | C30A301 | 94.2 | 90.0 | 40 | 60 | 20 | 36 | Sati 1:1 M=3 Z1=30 Z2=30 | |
| 3.5 | 16 | C35A161 | 60.9 | 56.0 | 36.4 | 45.3 | 15 | 31.9 | Sati 1:1 M=3,5 Z1=16 Z2=16 |
| 20 | C35A201 | 74.9 | 70.0 | 40.5 | 55 | 15 | 36 | Sati 1:1 M=3,5 Z1=20 Z2=20 | |
| 22 | C35A221 | 81.9 | 77.0 | 40.5 | 60 | 15 | 36 | Sati 1:1 M=3,5 Z1=22 Z2=22 | |
| 25 | C35A251 | 92.4 | 87.5 | 43.5 | 65 | 20 | 39 | Sati 1:1 M=3,5 Z1=25 Z2=25 | |
| 30 | C35A301 | 109.9 | 105.0 | 48 | 70 | 20 | 43.5 | Sati 1:1 M=3,5 Z1=30 Z2=30 | |
| 4.0 | 16 | C31A161 | 69.6 | 64.0 | 44.3 | 50.3 | 15 | 39.3 | Sati 1:1 M=4 Z1=16 Z2=16 |
| 20 | C31A201 | 85.6 | 80.0 | 43 | 60 | 18 | 38 | Sati 1:1 M=4 Z1=20 Z2=20 | |
| 22 | C31A221 | 93.6 | 88.0 | 43 | 65 | 18 | 38 | Sati 1:1 M=4 Z1=22 Z2=22 | |
| 25 | C31A251 | 105.6 | 100.0 | 45 | 70 | 20 | 40 | Sati 1:1 M=4 Z1=25 Z2=25 | |
| 30 | C31A301 | 125.6 | 120.0 | 48 | 80 | 25 | 43 | Sati 1:1 M=4 Z1=30 Z2=30 | |
| 4.5 | 16 | C45A161 | 78,3 | 72,0 | 46,3 | 55,3 | 18 | 40,3 | Sati 1:1 M=4,5 Z1=16 Z2=16 |
| 20 | C45A201 | 96,3 | 90,0 | 48 | 65 | 20 | 42 | Sati 1:1 M=4,5 Z1=20 Z2=20 | |
| 22 | C45A221 | 105,3 | 99,0 | 48 | 70 | 20 | 42 | Sati 1:1 M=4,5 Z1=22 Z2=22 | |
| 25 | C45A251 | 118,3 | 112,5 | 50 | 75 | 20 | 44 | Sati 1:1 M=4,5 Z1=25 Z2=25 | |
| 30 | C45A301 | 141,3 | 135,0 | 53 | 90 | 25 | 47 | Sati 1:1 M=4,5 Z1=30 Z2=30 | |
| 5.0 | 16 | C32A161 | 87,0 | 80,0 | 48,9 | 60,3 | 20 | 42,4 | Sati 1:1 M=5 Z1=16 Z2=16 |
| 20 | C32A201 | 107,1 | 100,0 | 50,5 | 70 | 20 | 44 | Sati 1:1 M=5 Z1=20 Z2=20 | |
| 22 | C32A221 | 117,1 | 110,0 | 50,5 | 80 | 20 | 44 | Sati 1:1 M=5 Z1=22 Z2=22 | |
| 25 | C32A251 | 132,1 | 125,0 | 53,5 | 90 | 20 | 47 | Sati 1:1 M=5 Z1=25 Z2=25 | |
| 30 | C32A301 | 157,1 | 150,0 | 56,5 | 110 | 30 | 50 | Sati 1:1 M=5 Z1=30 Z2=30 |

Конические зубчатые шестерни - пары прямозубые, исполнение "А", передаточное отношение 1:2
| модуль, М | количество зубьев, Z | артикул | De, mm | Dp, mm | H, mm | d, mm | D, mm | L, mm |
| 1,5 | 16 32 | C27A322 | 26.7 49.3 | 24.0 48.0 | 19.5 20 | 21 32 | 10 12 | 13 17 |
| 2,0 | 16 32 | C28A322 | 35.6 65.8 | 32.0 64.0 | 23 25 | 26 40 | 12 12 | 21 21 |
| 2,5 | 16 32 | C29A322 | 44.4 82.2 | 40.0 80.0 | 27.5 26 | 34 50 | 12 15 | 25 20 |
| 3,0 | 16 32 | C30A322 | 53.4 98.7 | 48.0 96.0 | 28 30 | 40 60 | 15 15 | 25 24 |
| 3,5 | 16 32 | C35A322 | 62.3 115.1 | 56.0 112.0 | 33.5 31 | 48 70 | 15 20 | 30 24 |
| 4,0 | 16 32 | C31A322 | 71.1 131.6 | 64.0 128.0 | 36 32 | 50 80 | 20 20 | 32 24 |
| 4,5 | 16 32 | C45A322 | 80.1 148.0 | 72.0 144.0 | 39.5 36 | 60 90 | 20 25 | 35 27 |
| 5,0 | 16 32 | C32A322 | 88.9 164.5 | 80.0 160.0 | 50 38 | 60 100 | 20 25 | 45 28 |

Конические зубчатые шестерни - пары прямозубые, исполнение "А", передаточное отношение 1:3
| модуль, М | количество зубьев, Z | артикул | De, mm | Dp, mm | H, mm | d, mm | D, mm | L, mm |
| 1,5 | 16 48 | C27A483 | 26.9 72.9 | 24.0 72.0 | 24 20 | 20 50 | 10 15 | 23 17 |
| 2,0 | 16 48 | C28A483 | 35.8 97.3 | 32.0 96.0 | 28.5 23 | 26 60 | 12 15 | 27 19 |
| 2,5 | 16 48 | C29A483 | 44.7 121.6 | 40.0 120.0 | 32 26 | 32 70 | 12 20 | 30 21 |
| 3,0 | 16 48 | C30A483 | 53.7 145.9 | 48.0 144.0 | 32 29 | 40 80 | 15 20 | 30 23 |
| 3,5 | 16 48 | C35A483 | 62.6 170.2 | 56.0 168.0 | 38 31 | 48 90 | 15 20 | 35,5 24 |
| 4,0 | 16 48 | C31A483 | 71.6 194.5 | 64.0 192.0 | 41,5 33 | 55 100 | 20 22 | 38,5 25 |
| 4,5 | 16 48 | C45A483 | 80.6 218.6 | 72.0 216.0 | 53 49 | 60 100 | 20 25 | 50 40 |
| 5,0 | 16 48 | C32A483 | 89.5 243.1 | 80.0 240.0 | 60 50 | 60 150 | 20 28 | 57 40 |

Конические зубчатые шестерни - пары прямозубые, исполнение "А", передаточное отношение 1:4
| модуль, М | количество зубьев, Z | артикул | De, mm | Dp, mm | H, mm | d, mm | D, mm | L, mm |
| 1,5 | 16 64 | C27A644 | 26.9 96,7 | 24.0 96.0 | 25 22 | 18 70 | 10 15 | 24 19 |
| 2,0 | 16 64 | C28A644 | 35.9 129,0 | 32.0 128.0 | 24 24 | 25 80 | 12 20 | 23 20 |
| 2,5 | 16 64 | C29A644 | 44.7 161,2 | 40.0 160.0 | 30,5 29 | 30 90 | 15 20 | 29 24 |
| 3,0 | 16 64 | C30A644 | 53.8 193,5 | 48.0 192.0 | 34 30 | 40 100 | 15 20 | 32 24 |
| 3,5 | 16 64 | C35A644 | 62.8 225,7 | 56.0 224.0 | 45 50 | 48 100 | 15 25 | 43 43 |
| 4,0 | 16 64 | C31A644 | 71.7 257,9 | 64.0 256.0 | 50 50 | 50 120 | 20 28 | 48 42 |
| 4,5 | 16 64 | C45A644 | 80.7 290,1 | 72.0 288.0 | 53 53 | 55 130 | 20 30 | 50,5 44 |
| 5,0 | 16 64 | C32A644 | 89.7 322,4 | 80.0 320.0 | 58 58 | 60 150 | 20 30 | 55,5 48 |

Конические зубчатые пары, прямозубые, исполнение "B", передаточное отношение 1:1.5
| модуль, М | количество зубьев, Z | артикул | De, mm | Dp, mm | H, mm | d, mm | D, mm | L, mm | дополнительная маркировка |
| 1.0 | 16 24 | C26B240 | 18.1 24,8 | 16 24 | 12,0 14,8 | 13.3 20.3 | 4 5 | 13,3 | Sati 1:1,5 M=1 Z1=16 Z2=24 |
| 1.5 | 16 24 | C27B240 | 27.1 37,2 | 24 36 | 20,3 24,9 | 20.3 28,3 | 8 8 | 22,7 | Sati 1:1,5 M=1,5 Z1=16 Z2=24 |
| 2,0 | 16 24 | C28B240 | 36,2 49,7 | 32 48 | 25,2 27,2 | 25.3 32.3 | 8 8 | 24,7 | Sati 1:1,5 M=2 Z1=16 Z2=24 |
| 2.5 | 16 24 | C29B240 | 45,2 62,1 | 40 60 | 30,8 34,0 | 32,3 45,3 | 12 16 | 30,8 | Sati 1:1,5 M=2,5 Z1=16 Z2=24 |
| 3,0 | 16 24 | C30B240 | 54,3 74,5 | 48 72 | 32,4 36,2 | 32,3 45,3 | 12 16 | 32,0 | Sati 1:1,5 M=3 Z1=16 Z2=24 |
| 3.5 | 16 24 | C35B240 | 63,3 86,9 | 56 84 | 40,4 44,2 | 45.3 55.3 | 16 20 | 40,0 | Sati 1:1,5 M=3,5 Z1=16 Z2=24 |
| 4,0 | 16 24 | C31B240 | 72,3 99,3 | 64 96 | 46,8 45,5 | 50.3 60.3 | 16 20 | 40,0 | Sati 1:1,5 M=4 Z1=16 Z2=24 |
| 4.5 | 16 24 | C45B240 | 81,4 111,7 | 72 108 | 47,6 57,8 | 60.3 80.3 | 20 25 | 51,3 | Sati 1:1,5 M=4,5 Z1=16 Z2=24 |
| 5,0 | 16 24 | C32B240 | 90,5 124,1 | 80 120 | 54,1 61,1 | 60.3 80.3 | 25 30 | 54,5 | Sati 1:1,5 M=5 Z1=16 Z2=24 |

Конические зубчатые пары, прямозубые, исполнение "B", передаточное отношение 1:2.5
| модуль, М | зубья, Z | артикул | De, mm | Dp, mm | H, mm | d, mm | D, mm | дополнительная маркировка |
| 1.0 | 16 40 | C26B400 | 18.6 40.4 | 16 40 | 14.4 14.8 | 13.3 25.3 | 4 8 | Sati 1:2,5 M=1 Z1=16 Z2=40 |
| 1.5 | 16 40 | C27B400 | 27.9 60.7 | 24 60 | 24.2 27.8 | 20.3 40.3 | 8 14 | Sati 1:2,5 M=1,5 Z1=16 Z2=40 |
| 2,0 | 16 40 | C28B400 | 37.2 80.9 | 32 80 | 29.6 32.4 | 25.3 45.3 | 8 16 | Sati 1:2,5 M=2 Z1=16 Z2=40 |
| 2.5 | 16 40 | C29B400 | 46.4 101.1 | 40 100 | 38.4 39.8 | 32.3 55.3 | 12 16 | Sati 1:2,5 M=2,5 Z1=16 Z2=40 |
| 3,0 | 16 40 | C30B400 | 55.7 121.4 | 48 120 | 41.9 47.9 | 40.3 60.3 | 16 20 | Sati 1:2,5 M=3 Z1=16 Z2=40 |
| 3.5 | 16 40 | C35B400 | 65.4 141.6 | 56 140 | 49.1 54.6 | 45.3 80.3 | 20 25 | Sati 1:2,5 M=3,5 Z1=16 Z2=40 |
| 4,0 | 16 40 | C31B400 | 74.3 161.8 | 64 160 | 52.5 57 | 55.3 80.3 | 20 30 | Sati 1:2,5 M=4 Z1=16 Z2=40 |
| 4.5 | 16 40 | C45B400 | 83.6 182.1 | 72 180 | 56.3 59.7 | 60.3 80.3 | 25 30 | Sati 1:2,5 M=4,5 Z1=16 Z2=40 |
| 5,0 | 16 40 | C32B400 | 92.9 202.3 | 80 200 | 65.4 65.7 | 60.3 90.3 | 25 30 | Sati 1:2,5 M=5 Z1=16 Z2=40 |

Конические зубчатые пары, прямозубые, исполнение "B", передаточное отношение 1:3
| модуль, М | количество зубьев | артикул | De, mm | Dp, mm | H, mm | d, mm | D, mm | дополнительная маркировка |
| 1.0 | Z=15/45 | C26B450 | 17.7 45.3 | 15 45 | 16,6 17,1 | 13.3 25.3 | 4 8 | Sati 1:3 M=1 Z1=15 Z2=45 |
| 1.5 | Z=15/45 | C27B450 | 26.5 68.1 | 22,5 67,5 | 22,6 29,6 | 19.3 45.3 | 8 14 | Sati 1:3 M=1,5 Z1=15 Z2=45 |
| 2,0 | Z=15/45 | C28B450 | 35.4 90.8 | 30 90 | 28,9 32,1 | 25.3 45.3 | 8 16 | Sati 1:3 M=2 Z1=15 Z2=45 |
| 2.5 | Z=15/45 | C29B450 | 44.1 113.4 | 37,5 112,5 | 34,6 39,7 | 32.3 60.3 | 12 20 | Sati 1:3 M=2,5 Z1=15 Z2=45 |
| 3,0 | Z=15/45 | C30B450 | 53.0 136.1 | 45 135 | 41,3 47,2 | 40.3 60.3 | 16 25 | Sati 1:3 M=3 Z1=15 Z2=45 |
| 3.5 | Z=15/45 | C35B450 | 61.9 158.8 | 52,5 157,5 | 49,6 54,4 | 45.3 80.3 | 20 25 | Sati 1:3 M=3,5 Z1=15 Z2=45 |
| 4,0 | Z=15/45 | C31B450 | 70.7 181.5 | 60 180 | 54,3 57,0 | 50.3 80.3 | 20 30 | Sati 1:3 M=4 Z1=15 Z2=45 |
| 4.5 | Z=15/45 | C45B450 | 79.5 204.2 | 67,5 202,5 | 55,2 63,9 | 55.3 90.3 | 25 30 | Sati 1:3 M=4,5 Z1=15 Z2=45 |
| 5,0 | Z=15/45 | C32B450 | 88.4 226.9 | 75 225 | 65,3 66,7 | 60.3 90.3 | 25 30 | Sati 1:3 M=5 Z1=15 Z2=45 |
Для ремонта редукторов и мотор-редукторов David Brown, Benzlers, Elecon, Falk, Rexnord, Stober Antriebstechnik, Fenner, Cone Drive вы можете купить косозубые цилиндрические шестерни, конические шестерни с круговым зубом а также червячные пары. За более подробной информацией вы можете обратиться к инженерам нашей компании.
Для построения приводных механизмов вы также можете купить зубчатые ремни и зубчатые шкивы, приводные роликовые цепи, звёздочки, направляющие и натяжители, электродвигатели с тормозом и запчасти к ним, монтажные втулки, адапторы, ступицы, рулонные зубчатые ремни и концевые пластины для зубчатых ремней.
На страницах нашего сайта вы сможете скачать PDF-каталоги и вспомогательную техническую информацию.
Павинов Михаил
инженер
(098) 083-58-09
misha@motor-reduktor.com.ua
| Каталог конических шестерен | Полный каталог Sati. Шкивы, звёздочки, ремни, цепи, муфты ![]() | |