misha@motor-reduktor.com.ua

Пластиковая пластинчатая цепь Regina FliteTop с двойным замком.

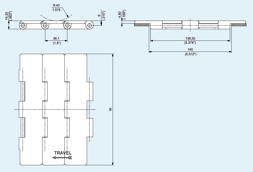
Основные размеры и характеристики пластинчатых цепей FliteTop 821
| маркировка | артикул | ширина |
| мм | ||
| UP 821 K 7-1/2 | UP821KL/000 | 190.5 |
| UP 821 K 10 | UP821KM/000 | 254 |
| UP 821 K 12 | UP821KN/000 | 304.8 |
| D2K 821 K 7-1/2 | D2K821KL/000 | 190.5 |
Изготавливается такая пластинчатая цепь из двух видов материала:
- UP - ацетал с низкив коэффициентом трения
- D2K - Delrin Kevlar - ацетал с низким коэффициентом трения и волокнами кевлара
Для обслуживания конвейеров вы сможете купить со склада в Киеве и под заказ мотор-редукторы, электродвигатели, роликовые цепи, звёздочки, зубчатые полиуретановые ремни, эластичные кулачковые и дисковые муфты. На нашем сайте вы сможете найти каталоги в формате PDF и другую вспомогательную информацию.
Павинов Михаил
инженер
(098) 083-58-09
misha@motor-reduktor.com.ua
| Загрузить каталог конвейерные цепи Regina | Каталог направляющие под конвейерные цепи Regina |

