misha@motor-reduktor.com.ua

Пластиковые направляющие профили для конвейерных цепей. Направляющие изготовлены из высокомлекулярного полиэтилена, имеют низкий коэффициент трения. Используются направляющие как с прямоидущими, так и с поворотными цепями.

| маркировка Regina | цвет | вспомогательная маркировка |
| WS003B | чёрный | |
| WS003G | зелёный |

| маркировка Regina | цвет | вспомогательная маркировка |
| WS001B | чёрный | |
| WS001G | зелёный | Sati SZ1UVG |

| маркировка Regina | цвет | вспомогательная маркировка |
| WS004B | чёрный | |
| WS004G | зелёный | Sati SZ2UVG |

| маркировка Regina | цвет | вспомогательная маркировка |
| WS008B | чёрный | |
| WS008G | зелёный |

| маркировка Regina | цвет | вспомогательная маркировка |
| WS007B | чёрный | |
| WS007G | зелёный |

| маркировка Regina | цвет | вспомогательная маркировка |
| WS002B | чёрный | |
| WS002G | зелёный |

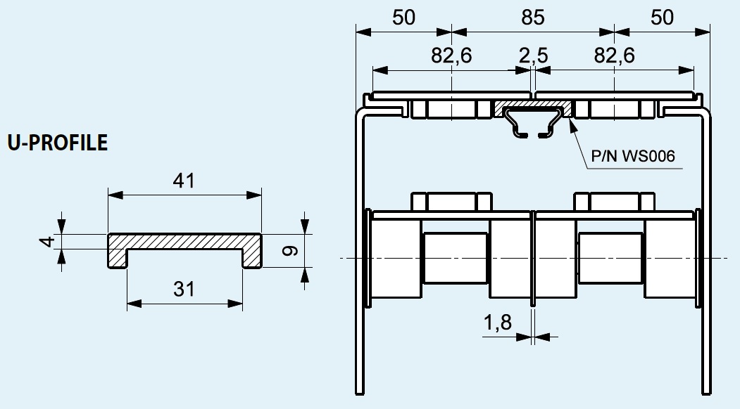
| маркировка Regina | цвет | вспомогательная маркировка |
| WS006BS, WS006B | чёрный | |
| WS006GS, WS006G | зелёный |

| маркировка Regina | цвет | вспомогательная маркировка |
| WS022B | чёрный | |
| WS022G | зелёный |

| маркировка Regina | цвет | вспомогательная маркировка |
| WS023BS, WS023B | чёрный | |
| WS023GS, WS023G | зелёный |

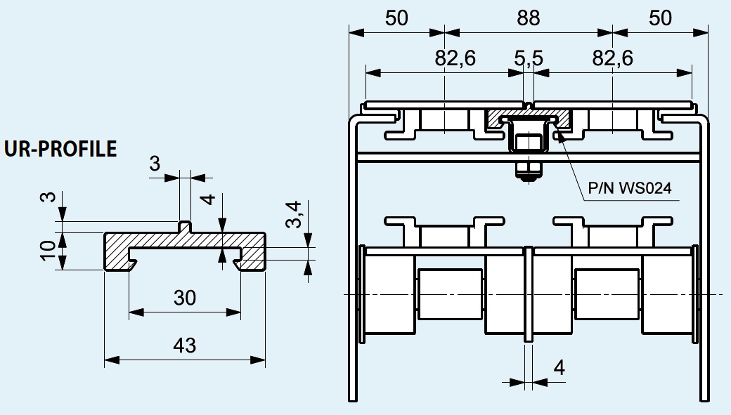
| маркировка Regina | цвет | вспомогательная маркировка |
| WS024BS, WS024B | чёрный | |
| WS024GS, WS024G | зелёный |

| маркировка Regina | цвет | вспомогательная маркировка |
| WS021B | чёрный | |
| WS021G | зелёный |

| маркировка Regina | AxB | цвет | вспомогательная маркировка |
| WS030B | 20x3 | чёрный | |
| WS031B | 20x5 | чёрный | |
| WS032B | 60x3 | чёрный | |
| WS033B | 70x3 | чёрный | |
| WS030G | 20x3 | зелёный | |
| WS031G | 20x5 | зелёный | |
| WS032G | 60x3 | зелёный | |
| WS033G | 70x3 | зелёный |
Павинов Михаил
инженер
(098) 083-58-09
misha@motor-reduktor.com.ua
| направляющие под конвейерные цепи Regina | Каталог - направляющие пластинчатых цепей Regina ![]() | Загрузить каталог конвейерные цепи Regina |
направляющие Wefapress ![]() | Каталог направляющие Sati![]() | |