misha@motor-reduktor.com.ua

Самоцентрирующая эксцентриковая обгонная муфта GLG производства CTS, Италия. Благодаря использованию запирающих тел в виде эксцентриков хорошо подходит для механизмов, имеющих большие скорости вращения и часто работающих в режиме проскальзывания. Роликовые обгонные муфты при таких условиях работы, как правило, перегреваются.

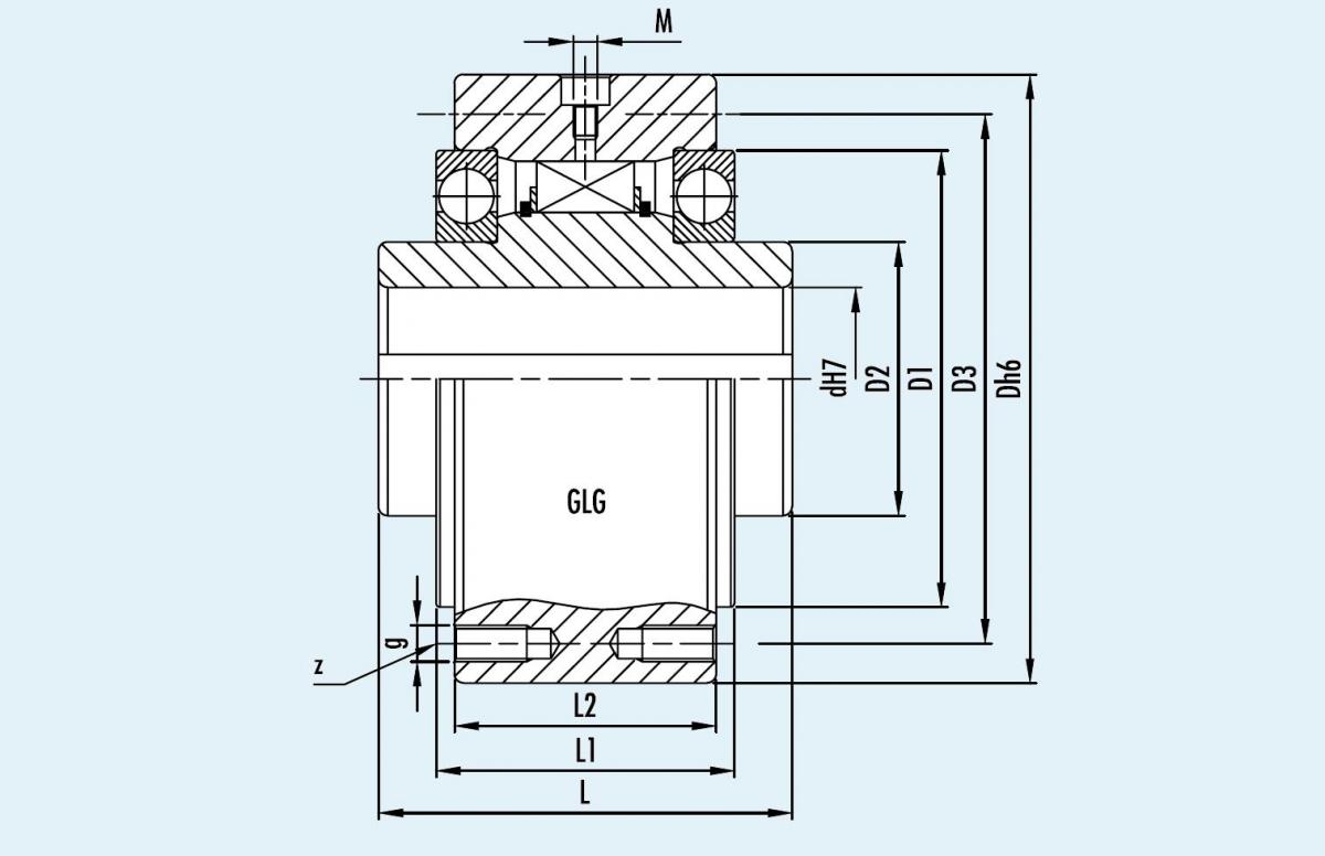
Основные габариты и характеристики обгонных муфт GLG
| типоразмер | d H7 | D h6 | L | L2 | максимальная скорость | крутящий момент | |
| внутренняя обойма | внешняя обойма | ||||||
| мм | мм | мм | мм | об/мин | Нм | ||
| GLG 25 | 25 | 90 | 60 | 35 | 8200 | 5600 | 210 |
| GLG 30 | 30 | 100 | 68 | 43 | 7600 | 5400 | 570 |
| GLG 40 | 40 | 125 | 86 | 53 | 6500 | 4500 | 1500 |
| GLG 50 | 50 | 150 | 94 | 64 | 5100 | 3600 | 2400 |
| GLG 55 | 55 | 160 | 104 | 66 | 4500 | 3200 | 24000 |
| GLG 60 | 60 | 170 | 114 | 78 | 3900 | 2700 | 1900 |
| GL2G 60 | 60 | 170 | 114 | 78 | 3900 | 2700 | 3230 |
| GLG 70 | 70 | 170 | 114 | 78 | 3900 | 2700 | 1900 |
| GL2G 70 | 70 | 170 | 114 | 78 | 3900 | 2700 | 3230 |
| GLG 80 | 80 | 170 | 114 | 78 | 3900 | 2700 | 1900 |
| GL2G 80 | 80 | 170 | 114 | 78 | 3900 | 2700 | 3230 |
Благодаря высоким допустимым скоростям работы обгонная муфта GLG хорошо работает в индексирующих механизмах, а также в ременных передачах и высокой инерцией маховика (шкива) и низкой инерцией ротора электродвигателя.
Для построения редукторных механизмов и конвейеров вы также можете купить карданные телескопические валы, пластинчатые и грузовые цепи, трапециевидные валы и ШВП. На сайте ООО "КПД" вы найдёте каталоги в формате PDF и другую вспомогательную литературу. Инженеры нашей компании помогут вам подобрать обгонные муфты для привода и постараются предложить лучшие цены. Также вы сможете найти альтернативу обгонным муфтам Stieber, Ringspann, Rexnord, Renold, Formsprag, GMN.
Павинов Михаил
инженер
(098) 083-58-09
misha@motor-reduktor.com.ua
| Каталог 2015 обгонные муфты CTS ![]() | Обгонная муфта CTS каталог | |