misha@motor-reduktor.com.ua

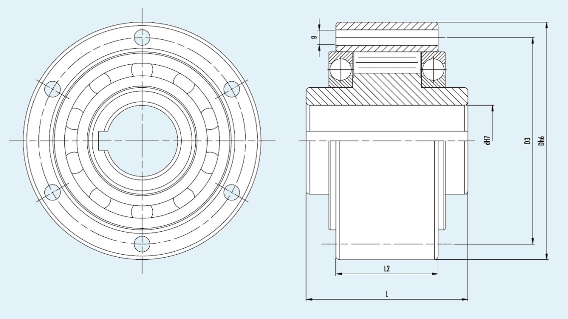
Обгонная муфта CTS GL...FP - один из разновидностей роликовых обгонных муфт GL, основное конструктивное отличие - внешняя обойма имеет гладкие сквозные крепёжные отверстия. Благодаря этим отверстиям вы можете закрепить на внешней обойме шкив, звёздочку, рычаг, эластичную муфту либо закрепить обгонную муфту на корпусе конвейера или редуктора.

Размеры обгонных муфт CTS GL...FP
| маркировка CTS | d H7 | D h6 | L | L2 | g | максимальная скорость | крутящий момент | |
| внутренняя обойма | внешняя обойма | |||||||
| мм | мм | мм | мм | мм | об/мин | Нм | ||
| GL 15 FP | 15 | 68 | 52 | 28 | 5.5 | 3700 | 5300 | 125 |
| GL 20 FP | 20 | 75 | 57 | 34 | 5.5 | 3700 | 4600 | 181 |
| GL 25 FP | 25 | 90 | 60 | 35 | 6.5 | 2200 | 3600 | 288 |
| GL 30 FP | 30 | 100 | 68 | 43 | 6.5 | 1800 | 3300 | 500 |
| GL 35 FP | 35 | 110 | 74 | 45 | 6.5 | 1500 | 3000 | 735 |
| GL 40 FP | 40 | 125 | 86 | 53 | 9.0 | 1200 | 2600 | 1040 |
| GL 45 FP | 45 | 130 | 86 | 53 | 9.0 | 1100 | 2400 | 1125 |
| GL 50 FP | 50 | 150 | 94 | 64 | 9.0 | 850 | 2200 | 2125 |
| GL 55 FP | 55 | 160 | 104 | 66 | 11.0 | 750 | 2000 | 2625 |
| GL 60 FP | 60 | 170 | 114 | 78 | 11.0 | 650 | 1900 | 3500 |
| GL 70 FP | 70 | 190 | 134 | 95 | 11.0 | 550 | 1700 | 5750 |
| GL 80 FP | 80 | 210 | 144 | 100 | 11.0 | 500 | 1600 | 8500 |
| GL 90 FP | 90 | 230 | 158 | 115 | 13.0 | 450 | 1500 | 14500 |
| GL 100 FP | 100 | 270 | 182 | 120 | 17.0 | 350 | 1250 | 20000 |
Размеры обгонных муфт CTS серии GL..FP, исполнение для монтажа на вал электродвигателя.
| маркировка CTS | d H7 | D h6 | L | L2 | g | Максимальная скорость | крутящий момент | |
| внутренняя обойма | внешняя обойма | |||||||
| мм | мм | мм | мм | мм | об/мин | Нм | ||
| GL 25/22 FP | 22 | 90 | 60 | 35 | 6.5 | 2200 | 3600 | 288 |
| GL 25/24 FP | 24 | 90 | 60 | 35 | 6.5 | 2200 | 3600 | 288 |
| GL 25/28 FP | 28 | 90 | 60 | 35 | 6.5 | 2200 | 3600 | 288 |
| GL 30/28 FP | 28 | 100 | 48 | 43 | 6.5 | 1800 | 3300 | 500 |
| GL 30/32 FP | 32 | 100 | 68 | 43 | 6.5 | 1800 | 3300 | 500 |
| GL 35/38 FP | 38 | 110 | 74 | 45 | 6.5 | 1500 | 3000 | 735 |
| GL 45/48 FP | 48 | 130 | 86 | 53 | 9.0 | 1000 | 2400 | 1125 |
В ассортименте компании C.T.S. Italy много высококачественых муфт, направляющих и обгонных муфт, вы сможете купить по отличной цене альтернативу обгонных муфт Tsubaki, Renold, Ringspann, Cross+Morse, Stieber, GMN.
Для построения приводов и индексирующих механизмов вы сможете купить мотор-редукторы, электродвигатели (в том числе с тормозом и энкодером), роликовые цепи и звёздочки, зубчатые шкивы и ремни, сухие дисковые сцепления и гидромуфты.
На страницах нашего сайта вы можете скачать PDF-каталоги и вспомогательную информацию. За технической помощью вы можете обратиться к нашим инженерам.
Павинов Михаил
инженер
(098) 083-58-09
misha@motor-reduktor.com.ua