misha@motor-reduktor.com.ua

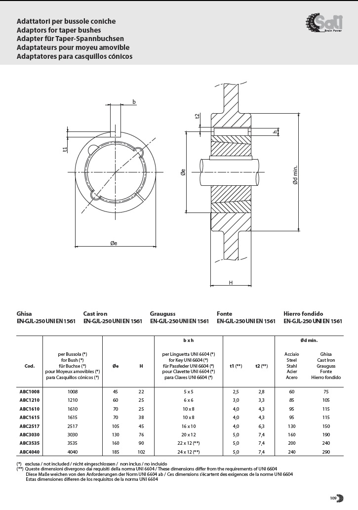
Ступица под Taper bush с болтовым креплением.
| маркипрвка Sati | маркировка Desch | taper bush | D | e | H |
| MCT1210120 | BF 12 | TB1210 | 80 | 120 | 25 |
| MCT1210180 | SM 12S | TB1210 | 90 | 180 | 25 |
| MCT1610130 | BF 16 | TB1610 | 90 | 130 | 25 |
| MCT1615200 | SM 16-2S | TB1615 | 110 | 200 | 38 |
| MCT2012145 | BF 20 | TB2012 | 115 | 145 | 32 |
| MCT2012270 | SM 20S | TB2012 | 140 | 270 | 32 |
| MCT2517185 | BF 25 | TB2517 | 130 | 185 | 45 |
| MCT2517340 | SM 25S | TB2517 | 170 | 340 | 45 |
| MCT3020220 | BF 30 | TB3020 | 165 | 220 | 51 |
| MCT3020430 | TB3020 | 220 | 430 | 51 | |
| MCT3020485 | TB3020 | 250 | 485 | 51 |
Ступица на болтах с креплением под тапер буш применяется для монтажа крыльчаток, маховиков, шкивов, шестерен, звёздочек.
На страницах нашего сайта вы можете скачать PDF-каталоги ступиц, монтажных втулок, шкивов и другую техническую информацию. Обращайтесь к нашим инженерам и вы сможете заказать подбор мотор-редукторов, подбор втулочно-пальцевых муфт, расчёт ременных передач, расчёт цепных передач согласно технического задания.
Павинов Михаил
инженер
(098) 083-58-09
misha@motor-reduktor.com.ua
| Каталог монтажных втулок Taper Lock | Полный каталог Sati. Шкивы, звёздочки, муфты ![]() | Инструкция по монтажу втулок Taper Bush ![]() |
| втулки Taper Bush и адапторы к ним ![]() |