misha@motor-reduktor.com.ua
Конструктивно, цепь с аттачментом - это приводная роликовая цепь, чаще всего однорядная, оснащённая специальными пластинами, расширяющими функционал цепи. Часто такие пластины используются непосредственно как толкатели либо как крепления для других ыункциональных элементов механизма.
Расположение и чередование кпластин с аттачментом может быть разным и создаётся согласно с задачей и фунуционалом цепи, например:
- расположение пластин с аттачментом только на внешних пластинах, только на внутренних пластинах, на всех пластинах либо их чередование.
- шаг пластин с аттачментом - кратный одному шагу цепи, кратный двум шагам цепи, крвтный четырём шагам цепи либо имеющиё свой индивидуальный порядок чередования.
- расположение пластин с одной стороны (тип M35) либо с двух сторон (тип М1)
При заказе цепи не забывайте указывать расположение аттачментов и их шаг, а лучше всего прмлагать эскиз.

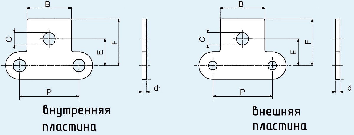
Размеры пластин с аттачментом для стандартных роликовых цепей
| базовая цепь | P, mm | d1, mm | d, mm | C, mm | B, mm | E, mm | F, mm |
| 05B-1 | 8.00 | 0.70 | 0.70 | 2,50 | 5,10 | 5,00 | 7,50 |
| 06B-1 | 9.525 | 1.27 | 1.03 | 3,50 | 8,00 | 9,50 | 13,50 |
| 08B-1 | 12,70 | 1,63 | 1,40 | 4,30 | 9,50 | 14,10 | 19,20 |
| 10B-1 | 15,875 | 1,63 | 1,53 | 5,20 | 14,1 | 15,90 | 23,70 |
| 12B-1 | 19,05 | 1,90 | 1,90 | 5,60 | 16,00 | 17,90 | 26,20 |
| 16B-1 | 25,40 | 3,80 | 3,00 | 6,80 | 19,00 | 26,00 | 35,00 |
| 20B-1 | 31,75 | 3,35 | 8,40 | 25,25 | 31,75 | 42,00 |
Наиболее часто такая модификация используется на цепях британского стандарта, реже с цепями американского стандарта. Также, достаточно популярной конструкцией являются длиннозвенные цепи с аттачментом M1 и M35. Следует понимать, что ланный перечень базовых цепей и конфигураций аттачментов не является исчерпывающим и существует большое количество исполнений, производимых по специальному заказу.
Роликовая цепь с двойныи шагом и аттачментом M1 и M35

Размеры пластин с аттачментом для роликовых цепей с двойным шагом
| базовая цепь | Артикул базовой цепи | P, mm | d1, mm | d, mm | C, mm | B, mm | E, mm | F, mm |
| C2040 | C208AS | 25.40 | 1,53 | 1,53 | 5,20 | 19,00 | 11,10 | 19,50 |
| C2050 | C210AS | 31.75 | 2,00 | 2,00 | 6,40 | 25,40 | 14,30 | 24,60 |
| C2060H | C212A-H | 38.10 | 3,25 | 3,25 | 8,80 | 28,00 | 17,50 | 30,00 |
| C2080H | C216A-H | 50.80 | 3,80 | 3,80 | 11,00 | 38,00 | 22,20 | 39,70 |
| C2100H | C220A-H | 63.50 | 4,80 | 4,80 | 13,10 | 47,50 | 28,60 | 50,00 |
| C2120H | C224A-H | 76.20 | 5,45 | 5,45 | 15,00 | 57,00 | 33,30 | 58,90 |
В ассортименте компании Regina вы сможете найти достаточно большое количество приводных цепей с аттачментами. В комплекте вы сможете приобрести звёздочки (в том числе и звёздочки из нержавеющих сталей). Инженеры нашей компании всегда к вашим услугам.

Для соединения и модернизации цепей с аттачментом вы можете использовать различные соелинительные звенья. Также вы можете купить направляющие и натяжители.
На страницаъ нашего сайта вы можете скачать PDF-каталоги цепей, звёздочек и направляющих. При необходимости проведения расчёта цепной передачи либо ременной передачи, а также подбора мотор-редукторов, электродвигателей, турбомуфт, карданных шарниров, эластичных муфт и управляемых муфт - обращайтесь с техническим заданием к нашим инженерам.
Павинов Михаил
инженер
(098) 083-58-09
misha@motor-reduktor.com.ua
Каталог цепей Regina![]() | Каталог - приводные цепи KettenWulf ![]() | Цепи для транспортёров дерева FB kedjor AB ![]() |
| Новий каталог ланцюгів KettenWulf ![]() |