misha@motor-reduktor.com.ua

Подшипниковая опора в корпусе. Производитель - Sati spa, Италия.
Тип UCP 200

Типоразмеры и маркировки подшипниковых опор
| маркировка Sati | d | h | l | n | Bi | вмонтированный подшипник |
| UCP 204 | 20 | 33.3 | 95 | 12.7 | 31.0 | UC 204 |
| UCP 205 | 25 | 36.5 | 105 | 14.3 | 34.1 | UC 205 |
| UCP 206 | 30 | 42.9 | 121 | 15.9 | 38.1 | UC 206 |
| UCP 207 | 35 | 47.6 | 127 | 17.5 | 42.9 | UC 207 |
| UCP 208 | 40 | 49.2 | 137 | 19.0 | 42.9 | UC 208 |
| UCP 209 | 45 | 54.0 | 146 | 19.0 | 42.9 | UC 209 |
| UCP 210 | 50 | 57.2 | 159 | 19.0 | 51.6 | UC 210 |
| UCP 211 | 55 | 63.5 | 171 | 22.2 | 55.6 | UC 211 |
| UCP 212 | 60 | 69.8 | 184 | 25.4 | 65.1 | UC 212 |
| UCP 213 | 65 | 76.2 | 203 | 25.4 | 65.1 | UC 213 |
| UCP 214 | 70 | 79.4 | 210 | 30.2 | 74.6 | UC 214 |
| UCP 215 | 75 | 82.6 | 217 | 33.3 | 76.8 | UC 215 |
| UCP 216 | 80 | 88.9 | 232 | 33.3 | 82.6 | UC 216 |
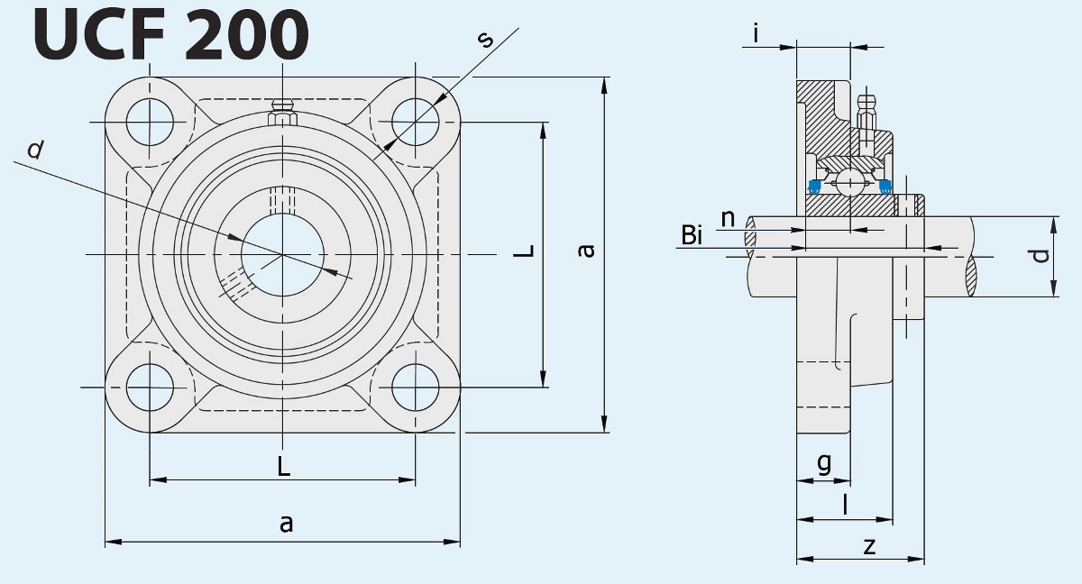
Тип UCF 200 - фланцевый с четырьмя крепёжными отверстиями

Типоразмеры и маркировки подшипниковых опор Sati UCF
| маркировка Sati | d | a | L | g | l | вмонтированный подшипник |
| UCF 204 | 20 | 86 | 64 | 12 | 25.5 | UC 204 |
| UCF 205 | 25 | 95 | 70 | 14 | 27 | UC 205 |
| UCF 206 | 30 | 108 | 83 | 14 | 31 | UC 206 |
| UCF 207 | 35 | 117 | 92 | 16 | 34 | UC 207 |
| UCF 208 | 40 | 130 | 102 | 16 | 36 | UC 208 |
| UCF 209 | 45 | 137 | 105 | 18 | 38 | UC 209 |
| UCF 210 | 50 | 143 | 111 | 18 | 40 | UC 210 |
| UCF 211 | 55 | 162 | 130 | 20 | 43 | UC 211 |
| UCF 212 | 60 | 175 | 143 | 20 | 48 | UC 212 |
| UCF 213 | 65 | 187 | 149 | 22 | 50 | UC 213 |
| UCF 214 | 70 | 193 | 152 | 22 | 54 | UC 214 |
| UCF 215 | 75 | 200 | 159 | 22 | 56 | UC 215 |
| UCF 216 | 80 | 208 | 165 | 22 | 58 | UC 216 |
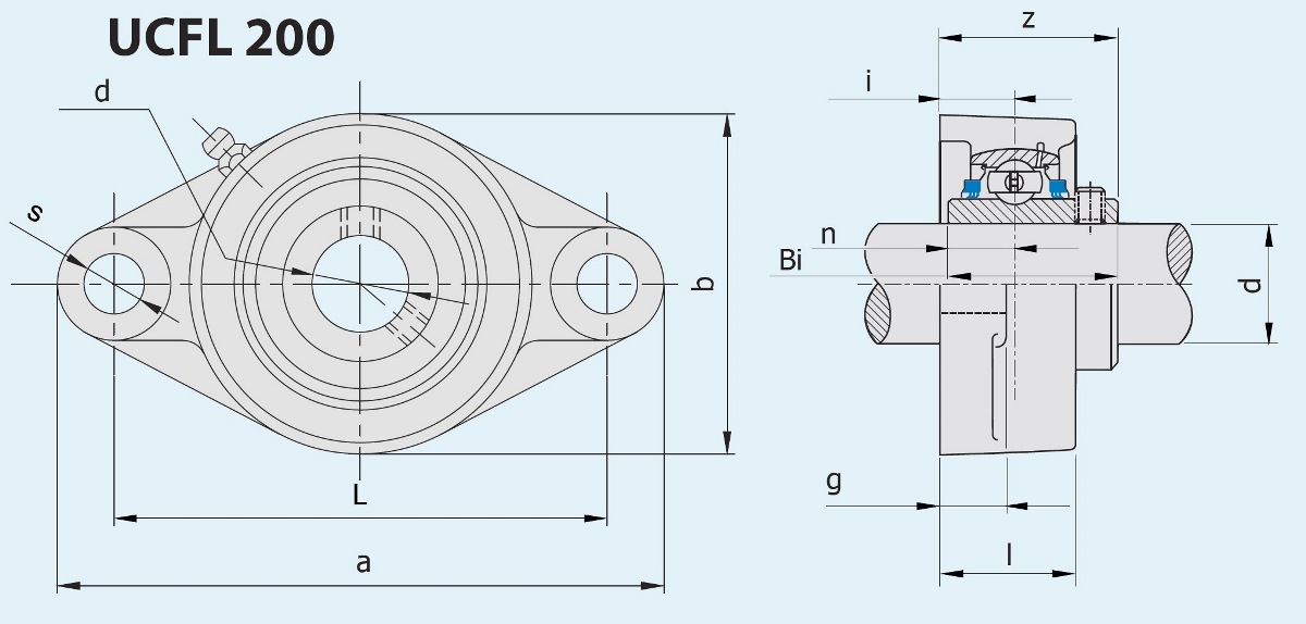
Тип UCFL 200 - фланцевая подшипниковая опора с двумя крепёжными отверстиями

Типоразмеры и маркировки подшипниковых опор Sati UCFL
| маркировка Sati | d | a | L | g | l | вмонтированный подшипник |
| UCFL 204 | 20 | 113 | 90 | 11 | 25.5 | UC 204 |
| UCFL 205 | 25 | 130 | 99 | 13 | 27 | UC 205 |
| UCFL 206 | 30 | 148 | 117 | 13 | 31 | UC 206 |
| UCFL 207 | 35 | 161 | 130 | 14 | 34 | UC 207 |
| UCFL 208 | 40 | 175 | 144 | 14 | 36 | UC 208 |
| UCFL 209 | 45 | 188 | 148 | 15 | 38 | UC 209 |
| UCFL 210 | 50 | 197 | 157 | 15 | 40 | UC 210 |
| UCFL 211 | 55 | 224 | 184 | 18 | 43 | UC 211 |
| UCFL 212 | 60 | 250 | 202 | 18 | 48 | UC 212 |
| UCFL 213 | 65 | 258 | 210 | 22 | 50 | UC 213 |
| UCFL 214 | 70 | 265 | 216 | 22 | 54 | UC 214 |
| UCFL 215 | 75 | 275 | 225 | 22 | 56 | UC 215 |
Тип UCT 200 - подшипниковая опора с направляющими для натяжной станции привода.

Типоразмеры и маркировки подшипниковых опор Sati UCT
| маркировка Sati | d | h | e | a | s | вмонтированный подшипник |
| UCT 204 | 20 | 61 | 76 | 89 | 19 | UC 204 |
| UCT 205 | 25 | 62 | 76 | 89 | 19 | UC 205 |
| UCT 206 | 30 | 70 | 89 | 102 | 22 | UC 206 |
| UCT 207 | 35 | 78 | 89 | 102 | 22 | UC 207 |
| UCT 208 | 40 | 89 | 102 | 114 | 29 | UC 208 |
| UCT 209 | 45 | 87 | 102 | 117 | 29 | UC 209 |
| UCT 210 | 50 | 90 | 102 | 117 | 29 | UC 210 |
| UCT 211 | 55 | 106 | 130 | 146 | 35 | UC 211 |
| UCT 212 | 60 | 119 | 130 | 146 | 35 | UC 212 |
Подшипник Sati для фланцевых и лаповых подшипниковых опор
Типоразмеры и маркировки подшипников Sati UC
| маркировка Sati | d | D | Bi | Be | n | ds | нагрузка динамическая кг | нагрузка статическая кг |
| UC 204 | 20 | 47 | 31 | 17 | 12.7 | M6x0.75 | 1000 | 630 |
| UC 205 | 25 | 52 | 34.1 | 17 | 14.3 | M6x0.75 | 1100 | 710 |
| UC 206 | 30 | 62 | 38.1 | 19 | 15.9 | M6x0.75 | 1520 | 1020 |
| UC 207 | 35 | 72 | 42.9 | 20 | 17.5 | M8x1.0 | 2010 | 1390 |
| UC 208 | 40 | 80 | 49.2 | 22 | 19.0 | M8x1.0 | 2560 | 1810 |
| UC 209 | 45 | 85 | 49.2 | 22 | 19.0 | M8x1.0 | 2560 | 1810 |
| UC 210 | 50 | 90 | 51.6 | 24 | 19.0 | M10x1.25 | 2750 | 2020 |
| UC 211 | 55 | 100 | 55.6 | 25 | 22.2 | M10x1.25 | 3400 | 2550 |
| UC 212 | 60 | 110 | 65.1 | 27 | 25.4 | M10x1.25 | 4100 | 3150 |
| UC 213 | 65 | 120 | 65.1 | 30 | 25.4 | M10x1.25 | 4480 | 3470 |
| UC 214 | 70 | 125 | 74.6 | 30 | 30.2 | M12x1.5 | 4870 | 3810 |
| UC 215 | 75 | 130 | 77.8 | 32 | 33.3 | M12x1.5 | 5190 | 4190 |
| UC 216 | 80 | 140 | 82.6 | 33 | 33.3 | M12x1.5 | 5700 | 4550 |
На страницах нашего сайта вы можете скачать PDF-каталоги и вспомогательную техническую информацию. Обращайтесь к нашим инженерам - вы можете заказать расчёт ременных передач, расчёт цепных передач, подбор эластичных муфт, подбор гидромуфт и мотор-редукторов согласно технического задания.
Павинов Михаил
инженер
(098) 083-58-09
misha@motor-reduktor.com.ua
| Каталог подшипниковых опор Sati | Полный каталог Sati. Шкивы, звёздочки, муфты ![]() | |