misha@motor-reduktor.com.ua

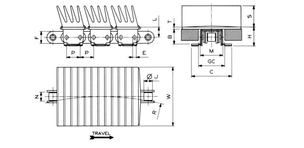
Цепь снижателя Regina Flitetop для конвейеров стеклотары состоит из двух частей: роликовой поворотной цепи (side bow Base chain GW1873T code 873/000) и накладок с резиновыми держателями. Использутся такие конвейеры для транспортировки небольших грузов в вертикальном направлении (подъём или опускание), иногда такие конвейеры называют "гребешковыми" или "ловератор".
Gripper chain GV 1874, металличекская основа, короткие пальцы

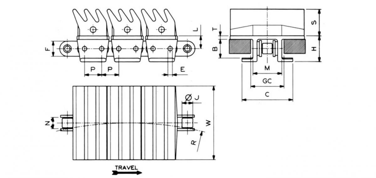
Gripper chain EV 1874, металличекская основа, длинные пальцы

Gripper chain GW 1873, пластиковая основа, короткие пальцы

Gripper chain EW 1873, пластиковая основа, длинные пальцы

| маркировка | артикул | W, мм |
| EW1873T D2K BS K3.1/4" | EW1873D2KBKD/000 | |
Gripper chain GD 1873, пластиковая основа, "D"-образные пальцы

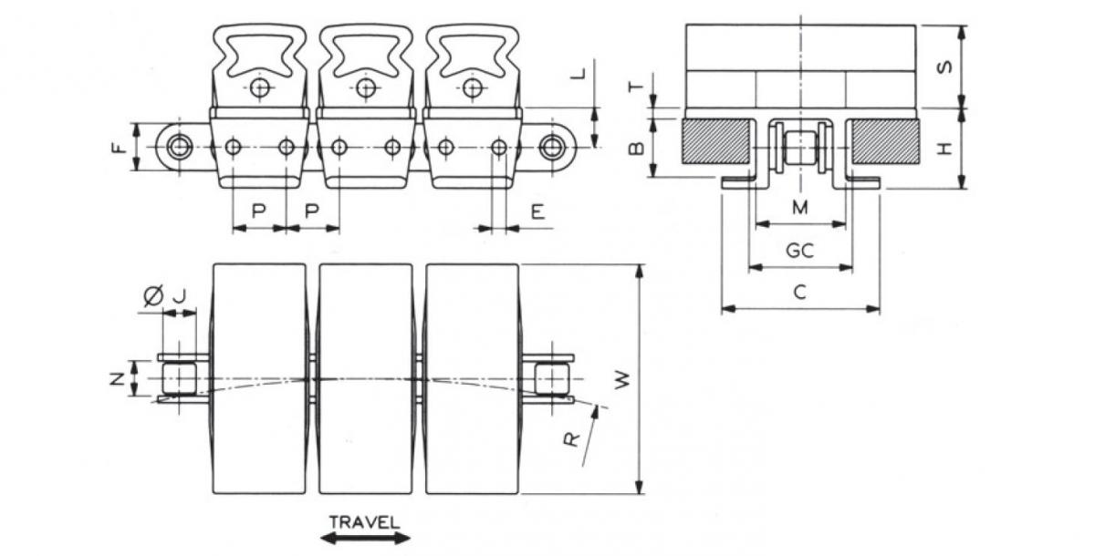
Gripper chain GU 1873, пластиковая основа, "U"-образные пальцы

Готовы предложить надёжную альтернативу цепям Tsubaki, Rex, MCC, Habasit, Uni. Для комплектации конвейеров вы также сможете приобрести пластинчатые транспортёрные цепи из пластика и нержавеющей стали, звёздочки конвейерных цепей, мотор-редукторы, эластичные муфты, карданные валы, сервоприводы, зубчатые ремни и шкивы.

Павинов Михаил
инженер
(098) 083-58-09
misha@motor-reduktor.com.ua
| Новый каталог Regina Flitetop Gripperchain ![]() | Каталог цепи конвейерные Regina gripperchain | Описание пластика DK2 - Derlin Kevlar ![]() |